共集放大电路静态分析
时间:2023-03-11来源:佚名
|
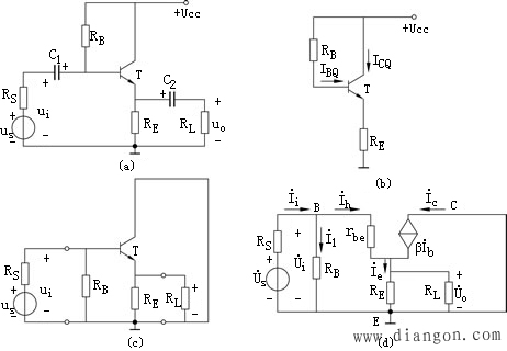
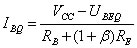
计算共集放大电路的静态工作点与计算工射放大电路的静态工作点类似。静态工作点包括IBQ、ICQ、UCEQ。分析方法仍然是首先根据基极回路,列出输入回路方程计算IBQ,利用ICQ=βIBQ,求得ICQ,最后由集电极回路,列出输出回路的电压方程计算UCEQ。
由图1(b)所示直流通路中,列出回路的KVL方程:
所以,由式(1)可计算出静态工作点IBQ
|
|
计算共集放大电路的静态工作点与计算工射放大电路的静态工作点类似。静态工作点包括IBQ、ICQ、UCEQ。分析方法仍然是首先根据基极回路,列出输入回路方程计算IBQ,利用ICQ=βIBQ,求得ICQ,最后由集电极回路,列出输出回路的电压方程计算UCEQ。
由图1(b)所示直流通路中,列出回路的KVL方程:
所以,由式(1)可计算出静态工作点IBQ
|







