汽车各系统电路原理图分析
|
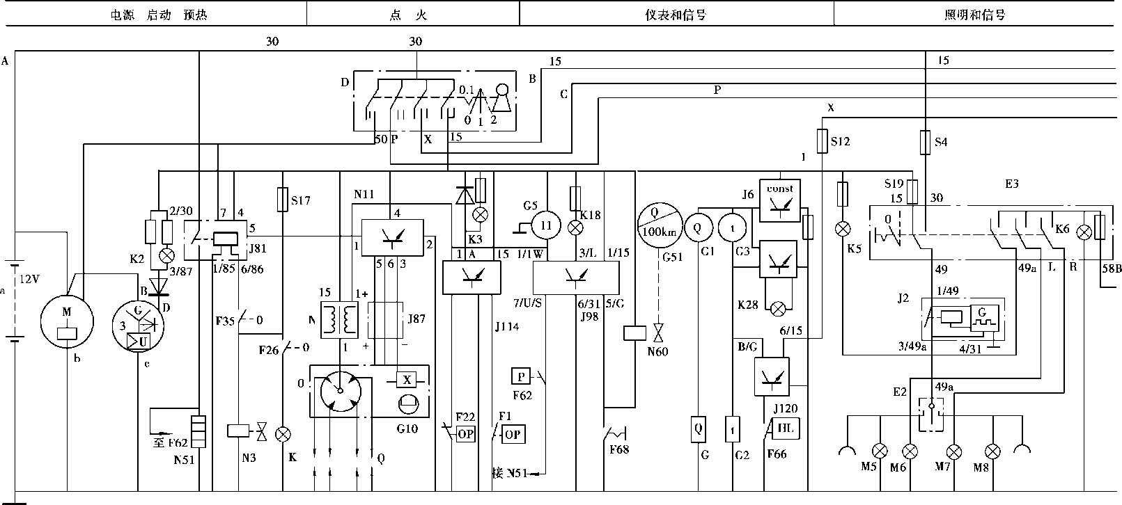
1、 电源系 组成:由蓄电池、发电机和调节器组成。 电路:如图1所示。 图1 汽车全车线路电原理图 特点: (1)发电机与蓄电池并联,电流表指示蓄电池的充放电。接线时,电流表的“-”端接蓄电池,“ ”端接发电机的“电枢( )”接线柱。 (2)蓄电池的负极经电源总开关搭铁。 (3)发电机的励磁电流受点火开关的控制。 2、 起动系 组成:起动系统由蓄电池、起动机和起动复合继电器组成。 电路:如图1所示。 特点: (1)点火开关置于起动位置时,起动继电器工作,接通电磁开关电路,起动机工作。 (2)发动机起动后,若驾驶员没有及时松开点火开关,由于发动机发电,当交流发电机的中性点电压达到5V时,会自动切断电磁开关的电路。 (3)电磁开关接通主电路时,同时将点火线圈的附加电阻短接。 3、 点火系 组成:点火系统由蓄电池、点火开关、点火线圈、分电器和火花塞等组成。 电路:如图1所示。 特点: (1)点火开关控制低压电路; (2)点火线圈的“-”接线柱接断电器,“ ”接线柱两根线,蓝色线接起动机开关,白纸线接点火开关; (3)由分电器接火花塞的高压线应按点火顺序连接。 4、 照明系 组成:照明及灯光系统包括照明电路和灯光信号电路。 电路:如图1所示。 特点: (1)前照灯为双灯式。 (2)小灯、前照灯和尾灯均由拉杆式灯光开关控制。 (3)具有灯光保护电路。 (4)制动信号灯不受灯光开关的控制。 (5)转向灯由转向开关控制。 5、 仪表系 组成:仪表与报警装置包括电流表、油压表、水温表、燃油表和与之配套的传感器等。 电路:如图1所示。 特点: (1)电流表串在电源电路中,其余仪表均并联,受点火开关的控制。 (2)水温表和燃油表共用一个电源稳压器,稳压器用于稳定电源电压,保证仪表读数的准确性。 (3)报警装置包括低油压报警灯和低气压蜂鸣器,由各报警开关控制。主油道油压低于规定值时,灯亮;气压低于规定值时,蜂鸣器报警。 桑塔纳汽车全车线路介绍 1、 特点 (1)基本电路按系统依次排列:整个电路都是纵向排列,同一系统的电路归纳在一起,在电路图中所占的篇幅局限在某一范围。 (2)整个电路很少转折交叉:有些线路比较复杂的电器,为了使它们有机地连贯起来而不破坏图面的纵向性,采用断线带号法加以解决。例如对应电路图底部电路号码“8”的上方,在上半段电路终止处画有一小方框,内标“23”,说明该电路的下半段应在电路号码为“23”的位置上寻找;同样,在“23”位置下半段电路起始端也有一方框,内标“8”,说明其上半段电路应在电路号码为“8”位置上寻找。通过这4个数字,就把画在不同位置的同一电路的上、下两段联接起来了。 (3)电路突出以中央接线盒为中心:电路图上方第5条横线以上的部分表明了中央接线盒中安装的器件与导线。例J17为燃油泵继电器,上侧小方框内的数字是2,表示该继电器插在中央接线盒正面板的第2号位置上。燃油泵继电器J17的周围标有2/30、4/86、3/87、6/85等4组数字,其中分母30、86、87、85是指该继电器上4个插脚的标号,分子2、4、6、3是指中央接线盒正面板第2号位置上相应的4个插孔。又如,S5为燃油泵熔断器,位于中央接线盒正面板下方熔断器安装部位的右起第5个位置,额定电流10A。电路图上方第5条横线上标有中央接线盒背面插接器的代号D、N、P、E等,代号后面的数字表明了该插接器连接的导线在插接器中的插孔位置,如E14表示插接器E上第14#插孔,N表示该插接器只有1个插孔;同理,D23、D7、D13分别表示插接器D的第23#、7#、13#插孔,而且凡是接点标有同一代号的所有导线都在车上的同一线束内,这也为实际工作中查找线路提供了方便。 (4)用电路图上方的4条横线表示中央接线盒:电路图上方的4条横线,用来表示压装在中央接线盒塑料盘身内的成型铜片。其中3条是引入接线盒内的不同用途的火线,一条是搭铁线。线端标号为“30”的是直接与蓄电池正极相接的火线;标号为“15”的是从点火开关15接柱引出的受点火开关控制的小容量用电器的供电线;标号为“X”的是受减荷继电器控制的大容量用电器的供电线,只有当减荷继电器触点闭合时,才能将30#线的电流引入X#线;标号为“31”的为搭铁线,它与中央接线盒支架搭铁点相连接。 (5)图中标明电器的搭铁方式和部位:电路图底部横线表示搭铁线,导线搭铁端标注有带圈的数字代号。从中可以看出,在车上,不是所有电器都直接与金属车体相连接而搭铁的,有的通过接地插座,有的则通过其它电器或电子设备再接地联接。 (6)线路中的连接插头统一表示:线路中的连接插头统一用字母T作代号,紧接的数字表示该插头的孔数以及连接导线对应的孔的序号。例如T4/2表示该插头为4孔,连接导线对应的插孔序号为2;T80/71表示该插头(T80为电控单元上的连接插头)为80孔,连接导线对应的插孔序号为71。线路中的连接导线都标有铜芯截面积的直径(mm),有的电路图上还用汉字或英文字母标明导线颜色。 2、 全车电路图 图2 桑塔纳汽车部分全车线路图 |











