基本共射电路晶体管内部载流子的运动情况
时间:2023-03-11来源:佚名
|
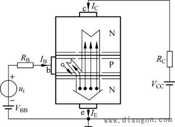
基本的共射放大电路晶体管内部载流子运动情况示意图如图1所示。图1中载流子的运动规律可分为以下几个过程。
(1)发射区向基区发射电子的过程 发射结正偏,发射区电子不断向基区扩散,是发射极电流IE的主要组成部分。基区空穴向发射区的扩散形成空穴电流IEP 。由于两者浓度相差悬殊,所以发射极电流IE为主要电子电流,发射区所发射的电子由电源VCC的负极来补充。 (2)电子在基区中的扩散与复合的过程 进入P区的电子少部分与基区的空穴复合,形成电流IBN,多数扩散到集电结。由于基区掺杂的浓度很低且很薄,在基区与空穴复合的电子很少,所以基极电流IB也很小,大量的电子能扩散到集电结的边缘。 (3)集电结收集电子的过程 反向偏置的集电结阻碍了集电区的多子——自由电子向基区的扩散,但扩散到集电结边缘的电子在集电结电场的作用下越过集电结,到达集电区,在集电结电源VCC的作用下形成集电极电流IC。 |








