|
可编程阵列逻辑器件PAL是七十年代后期推出的PLD。目前市场销售的多种PAL的基本门阵列结构是相似的,如图所示。它采用了阵列逻辑技术,其中可编程与阵列和固定或阵列是构成各种逻辑电路的核心。它用双极型工艺制作,熔丝编程方式,通过对与逻辑阵列编程和触发器输出到与逻辑阵列的反馈线可实现组合逻辑电路、时序逻辑电路和组合时序混合逻辑电路。
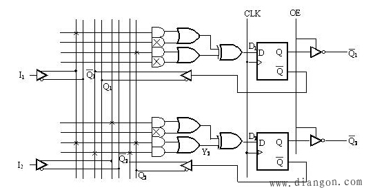
 图1 PAL的电路结构 图2 编程后的PAL电路 一个16×4(16与门×4或门)PAL的基本结构如图1所示。它是由可编程的与门阵列和固定连接的或门阵列,以及其它附加的输出电路组成。与阵列的可编程使器件具有很多输入端,而固定的或阵列又使器件体积小、速度快。在尚未编程前,与逻辑阵列所有的交叉点均有快速熔丝连通。编程时将有用的熔丝保留,无用的熔丝熔断,就得到所需的电路。它实现了四种不同功能的逻辑函数。 图2所示电路PAL器件内部只有与阵列和或阵列,这类器件适合构成组合逻辑电路。除此以外,PAL的输出单元有多种结构类型,如带反馈的阵列型、带反馈的寄存器型和异或型多种形式的输出、反馈电路结构。其中PAL的寄存器输出结构如图3所示。它在输出三态缓冲器和与或逻辑阵列输出之间串入了由D触发器组成的寄存器,并将触发器输出状态反馈到与逻辑阵列的输入端,该反馈功能使PAL电路具有记忆功能,并能方便地组成各种时序逻辑电路。该电路在D触发器和与和或逻辑阵列之间还可增设异或门,不仅可实现对数据的保持操作,而且可对与-或逻辑阵列输出的函数求反。在图3所示的编程情况下,当I1=0时,D1=Q2,当I1=1时D1=Q2,Q2在时钟信号CLK到来后翻转,即Q2n 1=Q2n 。而对下一个触发器,当I2=0时,D2=Q2I1 Q1Q2;当I2=1时,D2=Y2=Q2I1 Q1Q2,即得Y2的反函数。 PAL有多种结构类型,用户可根据使用需要,选择其阵列结构大小、输入输出的方式,以实现所需的各种逻辑功能。
 图3 PAL的带异或门的寄存器输出结构
|