时间继电器控制串电阻降压起动控制线路图解
时间:2023-03-11来源:佚名
|
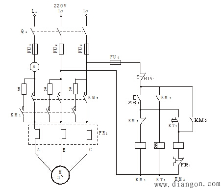
时间继电器具有延时动作触点,以这种触点发出的开关信号作为受控系统的转换信号,是时间控制线路的关键。时间继电器有通电延时型和断电延时型两类。 图1是时间继电器控制串电阻降压起动控制线路。起机时按起动按纽SB1,KM1得电自保,电动机串电阻降压起动;同时KT1得电工作计时;当计时时间到,其延时闭合的常开接点闭合,KM3得电自保,切断串联起动电阻,同时切断KM1和KT1供电电源。完成电动机的串电阻降压起动。 |










