变压器的参数和等值电路
时间:2023-03-11来源:佚名
|
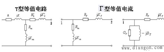
变压器的参数包括电阻、电导、电抗和电纳,这些参数要根据变压器铭牌上厂家提供的短路试验数据和空载试验数据来求取。 变压器一般都是三相,在正常运行的情况下,由于三相变压器是均衡对称的电路,因此等值电路可以只用一相代表。 变压器的等值电路见图1。
1.短路实验求电阻和电抗 :可认为短路电压主要降落在电抗上。 2.空载实验求电导和电纳 |
|
变压器的参数包括电阻、电导、电抗和电纳,这些参数要根据变压器铭牌上厂家提供的短路试验数据和空载试验数据来求取。 变压器一般都是三相,在正常运行的情况下,由于三相变压器是均衡对称的电路,因此等值电路可以只用一相代表。 变压器的等值电路见图1。
1.短路实验求电阻和电抗 :可认为短路电压主要降落在电抗上。 2.空载实验求电导和电纳 |







