比例运算电路_反相比例运算电路_同相比例放大电路
|
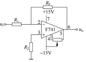
1、反相比例运算电路 在反相比例运算电路中,电路输入信号ui总是经过一个电阻R1接到反相输入端,输出信号uo经过一个电阻RF反馈到反相输入端,如图1(a)所示。由图可见,图中电路是一个用国产芯片F741接成的反相比例运算电路,图中同时给出了电源连接及调零电路,并在同相输入端对地串了一个电阻R2=R1//RF,目的是使两个输入端对地的等效电阻相同。需要强调的是,今后除特殊情况外,电源及调零等电路均为默认,不再画出,从而图1(a)所示电路简化为图1(b)所示。
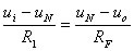
对于图1(b),由于理想运放的经输入电流为零,所以ip=in=0,由于运放的同相和反相输入端“虚短路 ”,反相输入端(标注“N”处)电位近似为0,所以up=un=0。 节点N的电流方程为i1=iF
则有
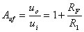
所以,可得电压放大倍数为
上式表明,反相比例放大电路的电压放大倍数仅取决与反馈电阻RF与输入电阻R1之比。式中负号“—”表示输出电压的相位与输入电压相位相反,即“反相”。 反相放大器的输入电阻Ri=R1。 2、同相比例放大电路 同相比例放大电路如图2所示,输入信号ui加在同相输入端,输出信号uo经过一个电阻RF反馈到反相输入端,形成负反馈。
由于理想集成运放的净输入电流为零,www.gdzrlj.com所以ip=in=0,所以up=ui,且i1=iF,即
整理得
由于同相和反相输入端虚短路,反相输入端(标注N处)的电位与同相输入端相同,即
将式 (6)代入式(5)得
所以
上式表明,输出电压与输入电压成比例运算关系而且相同。电阻R2是平衡电阻,R2=R1//RF。同相比例运算电路的输入电阻为无穷大。 由式(7),如果使R1=∞且RF=0,电路就变成了图3或图4所示,这时的电压放大倍数Auf=1,即uo=ui,电路的输出电压和输入电压相同,这样的电路称为电压跟随器。
| ||||||||||||||||||||||||||||




















