主从RS触发器的电路结构
时间:2023-03-11来源:佚名
|
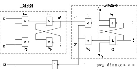
同步RS触发器虽然解决了同步触发的问题,但仍存在空翻现象。为了消除空翻,又产生了主从结构的触发器。下面仍以主从RS触发器为例介绍主从触发器的电路结构和动作特点。 图1所示为主从RS触发器的电路结构。从中可以清楚地看到,主从RS触发器由两个同步RS触发器构成:一个是由G1、 G2、G3、G4构成的从触发器;另一个是由G5、G6、G7、G8构成的主触发器。主触发器的时钟脉冲CP与从触发器的时钟脉冲
当CP=1时,主触发器的状态 当CP从1下跳为0 (下降沿)时, 在CP=0(即 因此,在CP的一个变化周期里,触发器的状态只可能变化一次,只是在时钟脉冲CP的下降沿来临时,从触发器将主触发器的状态输出。 |
通过一个非门连接,因此主触发器的时钟脉冲与从触发器的时钟脉冲反相。
根据输入端R、S的状态而变化,而此时
和
的状态发生变化。由于从触发器的输入
,因此







