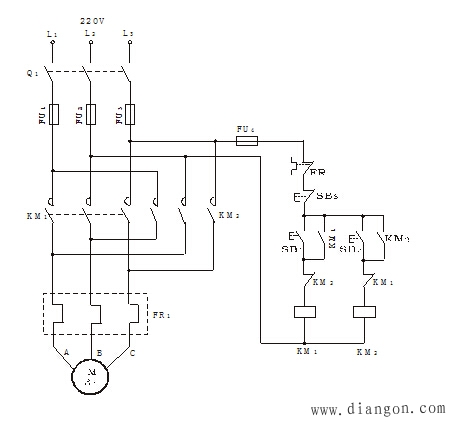
因大多数机床的主铀或进给运动都需要两个方向运行,故要求电动机能够正反转。我们知道,只要把电动机定子二相绕组任意两相调换一下接到电源上去,电动机定子相序即可改变,从而电动机就可改变转向了。如果我们用两个接触器KM1和KM2来完成电动机定子绕组相序的改变,那么控制这两个接触器KMl和KM2来实现正转与反转的启动和转换控制线路就是正反转控制线路。见图3。
从图3主回路上看,如果KMl和KM2同时接通,就会造成主回路的短路,故需要应用前述的互锁环节,即两线圈动断触点互相串联在对方的控制回路中,这样当一方得电时,由于其动触点打开,使另一方线圈不能通电,此时即使按下按钮,也不能造成短路。
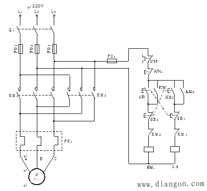
从图3中可以看出,如果电动机正在正转,想要反转,需先停止正转,然后才能启动反,显然操作不方便。可以使用复合按钮解决这一问题,正反转可以直接切换,使用复合按钮同时还可以起到互锁作用。这是由于按下SB2时,只有KMl可得电动作,同时KM 2回路被切断。同理按下sB3时,只有KM2可得电动作,同时KMl回路被切断。

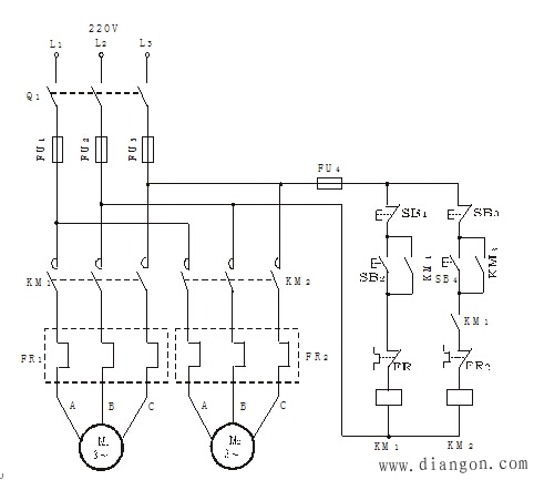
图1 起动顺序控

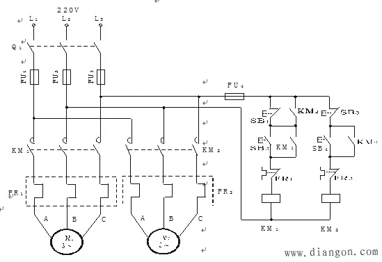
图2 停止顺序控制

图3 接触器互锁正反转控制

图4 按钮和接触器双重联锁正反转控制线路
但只用按钮进行联锁,而不用接触器动断触点之间的联锁,是不可靠的。在实际中可能出现这样的情况,由于负载短路或大电流的长期作用,接触器的主触点被强烈的电弧“烧焊”在一起,或者接触器的机构失灵,使衔铁卡住总是在吸合状态,这都可能使主触点不能断开,这时如果另一接触器动作,就会造成电源短路事故。如果用的是接触器动断触点进行联锁.不论什么原因,只要一个接触器是吸合状态,它的联锁动断触点就必然将另一接触器线圈电路切断,这就能避免事故的发生。图4 按钮和接触器双重联锁正反转控制线路。