同步RS触发器的电路结构及动作特点
|
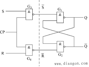
通过学习知道,基本RS触发器的触发方式是电平触发方式,即只要输入端R、S的电平状态发生变化,触发器的状态就跟着发生相应的变化。但是,在实际应用中,触发器的工作状态不仅要由R、S端的信号来决定,而且还希望触发器按一定的节拍翻转。为此,给触发器加一个控制信号,使触发器只有在控制信号到达时才按输入信号改变状态。控制触发器动作的信号为脉冲信号,因此也叫时钟脉冲或时钟信号,用CP(Clock PulSe)表示。 具有时钟脉冲控制的触发器状态的改变与时钟脉冲同步,所以称为同步触发器。实现时钟控制的最简单的触发器是同步RS触发器。 下面以同步RS触发器为例,介绍同步触发器的电路结构及动作特点。 1、电路结构与工作原理 图1(a)所示为同步RS触发器的电路结构,图1(b)所示为同步RS触发器的逻辑图形符号。
从图1(a)中可以看出,同步RS触发器的电路由两部分组成:一部分是由与非门G1和 G2组成的基本RS触发器;另一部分是由与非门G3和G4组成的控制电路。 因此,同步RS触发器是在基本RS触发器的基础上进一步扩展而成的。 根据图1(a),可以写出同步RS触发器的输出与输入之间的逻辑表达式为
由式(1)可以看出,当CP=0时,不论输入端R、S的状态如何变化,触发器均保持原态不变;当CP=1时,式1相同,即此时实际上是一个基本RS触发器。 根据式(1)可以列出同步RS触发器的特性表,如表1所示。
在使用同步RS触发器的过程中,经常需要在时钟信号来临之前将触发器预先设置成指定的状态。因此在实用的同步RS触发器电路中,往往还设有置位输入端和复位输入端。因为置位、复位操作不与时钟脉冲同步,因此又称为异步置位输入端和异步复位输入端,如图2所示。
由图2可以看出,异步置位输入端 2、动作特点 由图1和2可以看出,在CP=0期间,同步RS触发器保持原来的状态,不受输入信号R和S的影响( 在一个时钟脉冲周期中触发器发生多次翻转的现象叫做空翻。空翻是一种有害的现象,它使得时序电路不能按时钟节拍工作,造成系统的误动作,如图3所示。
|





和异步复位输入端
分别加在输出门G1和G2上,只要在








