三端集成稳压器的扩展用法

时间:2023-03-11来源:佚名
(一)提高输出电压的方法
三端集成稳压器的扩展用法
稳压电路的输出电压为:
三端集成稳压器的扩展用法
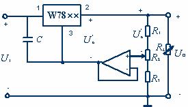
(二)输出电压可调的稳压电路
三端集成稳压器的扩展用法
该稳压电路的电压调节范围是:
三端集成稳压器的扩展用法

    相关阅读

    配电房停送电操作顺序,电工一定要牢记!

    配电房是一个电力设施的重要部分,负责接受高压电源,并将电力传输到各个区域和建筑物。在一些情况下,需要对配电房进行停送电的操作,以保障电力设施的安全和维护。下面是停送电的...
    2024-08-26
    配电房停送电操作顺序,电工一定要牢记!

    建筑电气安装之电气管线敷设施工技术讲解

    可挠金属电线电缆保护套管由 镀锌钢带 、 钢带 及 电工纸 双层材料卷制而成。 可挠金属电线电缆保护套管耐腐蚀性能优越,耐震动性能好,重量轻(仅为钢管重量的1/4左右),长度不...
    2023-06-11
    建筑电气安装之电气管线敷设施工技术讲解

    保护接地与保护接零的几点区别

    本文介绍了保护接地与保护接零的作用与不同之处,什么是保护接地,什么是保护接零,保护接地和保护接零的三点区别,保护原理、适用范围和线路结构皆不相同,下面具体来看下。...
    2024-03-18

    基于LM317的15A可调电源电路图

    该可调电源电路提供可在 1.5 至 15 伏之间调节的输出电压源,并提供 15 安培的电流。 如接线图所示,15 A 可调电源通过四个功率晶体管的并行工作提供相似的电流量,这些功率晶体管必...
    2023-08-16
    基于LM317的15A可调电源电路图

    机电安装工程水、电、暖优秀做法图片展示,值得收藏!

    本文介绍的某工程关于机电安装工程水、电、暖的安装方法,图文对比解说,值得大家借鉴和学习! 一、安装工程综合部分优秀做法: 1、电气竖井 工序: 核对预留孔洞 → 计算机排版...
    2023-06-11
    机电安装工程水、电、暖优秀做法图片展示,值得收藏!

    热销商品

    加厚abs安全帽电工建筑工地程施工领导监理透气防砸头盔可印字V型

    这款加厚ABS安全帽专为电工、建筑工地施工人员、领导及监理设计,采用高强度ABS工程塑料,抗冲击、防砸性能优异,有效保障头部安全。帽体加厚设计,增强耐用性与防护等级...
    5.8

    水口钳高硬度模型剪钳电子钳工业级口水剪斜嘴钳偏口斜口专用钳子

    水口钳高硬度模型剪钳是一款工业级精密工具,专为电子、模型制作及精细作业设计。采用优质高碳钢材质,经热处理工艺打造,具备卓越的硬度和耐磨性,可轻松剪切金属引脚、...
    4.8

    170电子剪钳II 如意斜口钳 工业斜嘴钳水口钳 模型剪塑胶钳尖嘴钳

    170电子剪钳II如意斜口钳是一款专业级精密工具,集工业斜嘴钳、水口钳、模型剪、塑胶钳与尖嘴钳功能于一体,适用于电子维修、模型制作、手工艺及精密作业。其采用优...
    4.5

    安全帽国标工地加厚施工领导透气安全头盔建筑工程监理免费印字

    本款安全帽严格遵循国家GB 2811-2019标准,专为建筑工程、工地施工及监理人员设计。采用高强度ABS工程塑料,加厚壳体有效抗冲击,保障头部安全。帽体轻盈透气,内置可调...
    10

    包邮三角型简易螺丝刀三角十字螺丝刀螺丝批改锥起子五金工具5mm

    这款5mm三角型简易螺丝刀,专为拧紧或拆卸三角形螺丝设计,适用于电子维修、家电维护及精密仪器装配等场景。采用优质合金钢材质,刀头硬度高、耐磨损,确保长久使用不变...
    3.64

    网站栏目