加法器和数值比较器
|
1、半加器
1.只考虑两个一位二进制数的相加,而不考虑来自低位进位数的运算电路,称为半加器。 如在第i位的两个加数Ai和Bi相加,它除产生本位和数Si之外,还有一个向高位的进位数 。 输入信号:加数Ai,被加数Bi 。输出信号:本位和Si,向高位的进位Ci
3.输出逻辑函数式为
4.逻辑电路和符号: 由一个异或门和一个与门组成。
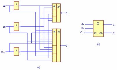
2、全加器 1.不仅考虑两个一位二进制数相加,而且还考虑来自低位进位数相加的运算电路,称为全加器。 如在第i位二进制数相加时,被加数、加数和来自低位的进位数分别为Ai 、Bi 、Ci-1 ,输出本位和及向相邻高位的进位数为Si、Ci。因此, 2.真值表
3.Si和Ci的卡诺图
4.逻辑函数表达式 采用圈0的方法化简,这时求得的反函数(与或式)为:
可求得Si和Ci的输出逻辑函数表达式(与或非式)为:
5.逻辑图和逻辑符号见下图:
图1 全加器逻辑电路图和逻辑符号 3、数值比较器用于比较两个数大小或相等的电路,称为数值比较器。 一、1位数值比较器 1.数值比较的含义 一位二进制数A和B进行比较的电路。比较结果有三种情况。 (2)A<B时,即A=0,B=1,这时,输出 (3) A=B时,即A=B=0和A=B=1,这时 2.真值表:
二、多位数值比较器 如两个4位二进制数 A=A3A2A1A 0 和B=B3B2B 1B0 进行比较时,则需从高位到低位逐位进行比较。只有在高位相等时,才能进行低位的比较。当比较到某一位数值不等时,其结果便为两个 4位数的比较结果。 三、集成4位数值比较器:CC14585
图2 CC14585引脚排列图 |


















