双速电机原理_双速电机控制原理图_双速电机实物接线图
|
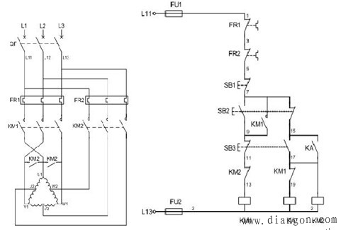
双速电机属于异步电动机变极调速,是通过改变定子绕组的连接方法达到改变定子旋转磁场磁极对数,从而改变电动机的转速。 一、双速电机接线图控制原理调速原理根据三相异步电动机的转速公式:n1=60f/p 三相异步电动机要实现调速有多种方法,如采用变频调速(YVP变频调速电机配合变频器使用),改变励磁电流调速(使用YCT电磁调速电机配合控制器使用,可实现无极调速),也可通过改变电动机 变极调速,即是通过改变定子绕组的连接方法达到改变定子旋转磁场磁极对数,从而改变电动机的转速。 根据公式;n1=60f/p可知异步电动机的同步转速与磁极对数成反比,磁极对数增加一倍,同步转速n1下降至原转速的一半,电动机额定转速n也将下降近似一半,所以改变磁极对数可以达到改变电动机转速的目的(这也是常见的2极电机同步转速为3000rpm,4极电机同步转速1500rpm,6极电机同步转速1000rpm等)。这种调速方法是有级的,不能平滑调速,而且只适用于鼠笼式电动机,这就是双速电机的调速原理。 下图双速电机接线图介绍的是最常见的单绕组双速电动机,转速比等于磁极倍数比,如2极/4极、4级/8极,从定子绕组△接法变为YY接法,磁极对数从p=2变为p=1。 ∴转速比=2/1=2 二、控制电路分析(双速电机接线图如下图)
1、合上空气开关QF引入三相电源 2、按下起动按钮SB2,交流接触器KM1线圈回路通电并自锁,KM1主触头闭合,为电动机引进三相电源,L1接U1、L2接V1、L3接W1;U2、V2、W2悬空。电动机在△接法下运行,此时电动机p=2、n1=1500转/分。 3、FR1、FR2分别为电动机△运行和YY运行的过载保护元件。 4、 若想转为高速运转,则按SB3按钮,SB3的常闭触点断开使接触器KM1线圈断电,KM1主触头断开使U1、V1、W1与三相电源L1、L2、L3脱离。其辅助常闭触头恢复为闭合,为KM2线圈回路通电准备。同时接触器KM2线圈回路通电并自锁,其常开触点闭合,将定子绕组三个首端U1、V1、W1连在一起,并把三相电源L1、L2、L3引入接U2、V2、W2,此时电动机在YY接法下运行,这时电动机p=1,n1=3000转/分。KM2的辅助常开触点断开,防KM1误动。 5、此控制回路中SB2的常开触点与KM1线圈串联,SB2的常闭触点与KM2线圈串联,同样SB3按钮的常闭触点与KM1线圈串联,SB3的常开于KM2线圈串联,这种控制就是按钮的互锁控制,保证△与YY两种接法不可能同时出现,同时KM2辅助常闭触点接入KM1线圈回路,KM1辅助常闭触点接入KM2线圈回路,也形成互锁控制。 三、双速电机定子接线图如下
|








