汽车电路图的表达方式
|
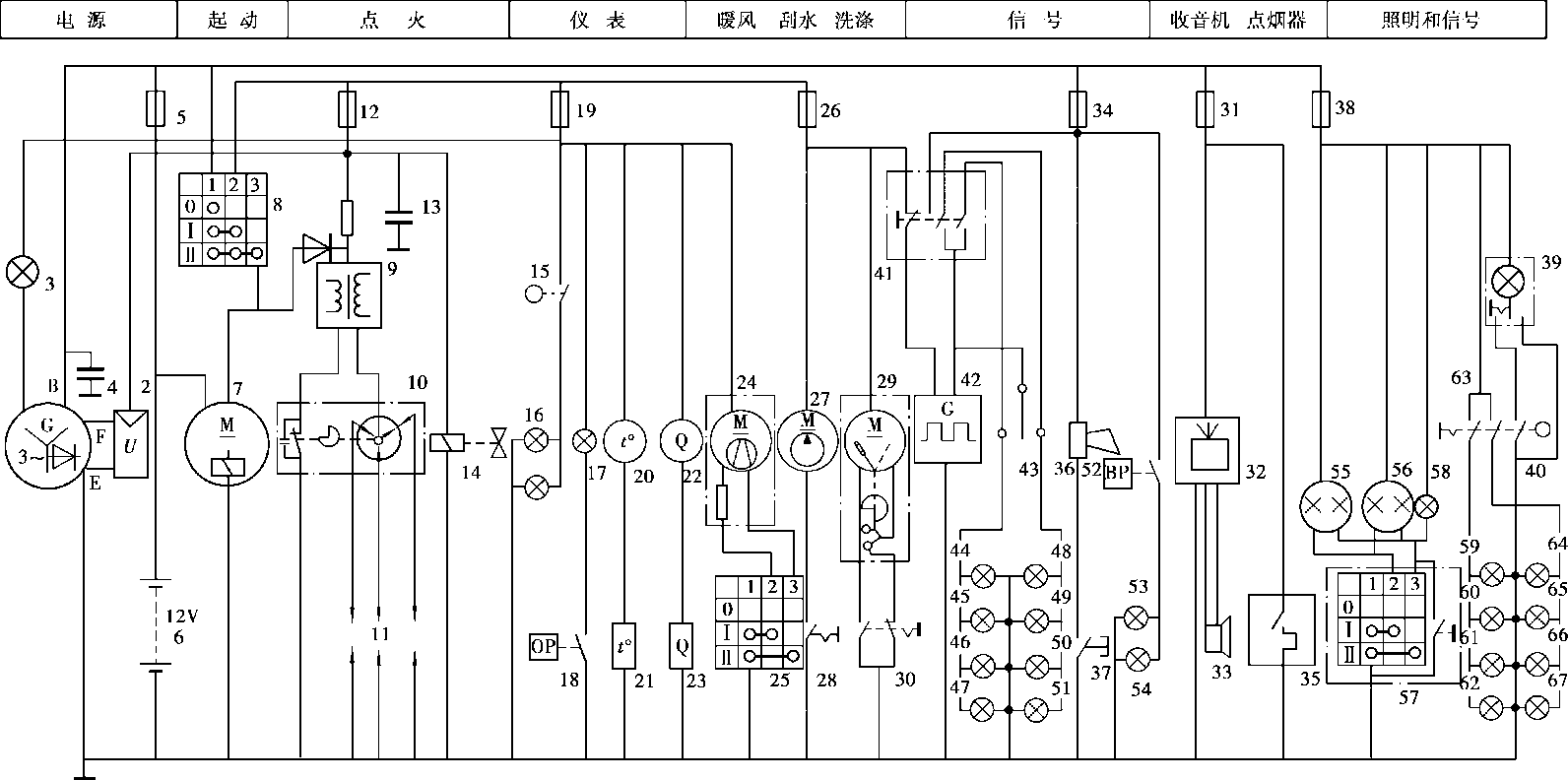
1、 线路图 定义:将汽车电器在汽车上的实际位置用线从电源到开关至搭铁一一连接起来所构成的线路图。 优点:设备的外形、安装位置与实际情况一致,便于制作线束。 缺点:线路图中线束密集、纵横交错、读图和查找、分析故障不便。 典型汽车线路图如图1所示。 图1 奥迪汽车线路图 2、 原理图 定义:用简明的图形符号按电路原理将每个系统排列起来而成。 特点: (1)对全车电路有完整的概念,它既是一幅完整的全车电路图,又是一幅互相联系的局部电路图。重点难点突出、繁简适当。 (2)在图上建立了电位高、低的概念:其负极“-”接地(俗称搭铁),电位最低,可用图中的最下面一条线表示;正极“+”电位最高,用最上面的那条线表示。电流的方向基本都是由上而下,路径是:电源正极“+”→开关→用电器→搭铁→电源负极“-”。 (3)可以减少电线的曲折与交叉,布局合理,图面简洁、清晰,图形符号考虑到元器件的外形与内部结构,便于读者联想、分析,易读、易画。 (4)各局部电路(或称子系统)相互并联且关系清楚,发电机与蓄电池间、各个子系统之间的连接点尽量保持原位,熔断器、开关及仪表等的接法基本上与原图吻合。 典型汽车原理图如图3所示。 图3 典型汽车原理图 3、 布线图 定义:布线图是各生产厂家根据自身生产汽车线路的特点给出的汽车全车电路的图形,一般是根据系统分类给出的。 特点:全车的电器(即电器设备)数量明显且准确,电线的走向清楚,有始有终,便于循线跟踪,查找起来比较方便。它按线束编制将电线分配到各条线束中去与各个插件的位置严格对号。在各开关附近用表格法表示了开关的接线与挡位控制关系,表示了熔断器与电线的连接关系,表明了电线的颜色与截面积。 缺点:图上电线纵横交错,印制版面小则不易分辨,版面过大印装受限制;读图、画图费时费力,不易抓住电路重点、难点;不易表达电路内部结构与工作原理。 典型汽车布线图如图4所示。 图4 富康轿车布线图 4、 线束图 定义:整车电路线束图常用于汽车厂总装线和修理厂的连接、检修与配线。 特点:线束图主要表明电线束各用电器的连接部位、接线柱的标记、线头、插接器(连接器)的形状及位置等,它是人们在汽车上能够实际接触到的汽车电路图。这种图一般不去详细描绘线束内部的电线走向,只将露在线束外面的线头与插接器详细编号或用字母标记。它是一种突出装配记号的电路表现形式,非常便于安装、配线、检测与维修。如果再将此图各线端都用序号、颜色准确无误地标注出来,并与电路原理图和布线图结合起来使用,则会起到更大的作用且能收到更好的效果。 典型汽车线束图如图5所示。 图5 典型汽车线束图 |









