逻辑代数中,用以描述逻辑关系的函数称为逻辑函数。前面讨论的与、或、非、与非、或非、异或都是逻辑函数。逻辑函数是从生活和生产实践中抽象出来的,但是只有那些能明确地用“是”或“否”作出回答的事物,才能定义为逻辑函数。
1、逻辑函数的建立
例如,3个人表决一件事情,结果按“少数服从多数”的原则决定,试建立逻辑函数。
将实际问题中的逻辑关系表达为逻辑函数,需要以下3个步骤。
第一步:定义自变量和因变量。将3个人的意见设置为自变量A、B、C,并规定只能有同意或不同意两种意见。将表决结果设置为因变量Y,显然也只有通过或不通过两种情况。
第二步:定义变量状态的逻辑取值。对于自变量A、B、C,设:同意为逻辑“1”,不同意为逻辑“0”。对于因变量Y,设:表决通过为逻辑“1”,没通过为逻辑“0”。
第三步:根据题意及上述规定列写逻辑函数(真值表如表1所示)。
表1 真值表
| A |
B |
C |
Y |
| 0 |
0 |
0 |
0 |
| 0 |
0 |
1 |
0 |
| 0 |
1 |
0 |
0 |
| 0 |
1 |
1 |
1 |
| 1 |
0 |
0 |
0 |
| 1 |
0 |
1 |
1 |
| 1 |
1 |
0 |
0 |
| 1 |
1 |
1 |
1 |
由真值表可以看出,当自变量A、B、C取值确定后,因变量Y的值就完全确定了。所以,Y就是A、B、C的函数。A、B、C常称为输入逻辑变量,Y称为输出逻辑变量。
一般地说,若输出逻辑变量A、B、C、…的取值确定以后,输出逻辑变量Y的值也就唯一地确定了,就称Y是A、B、C、…的逻辑函数,写作
 |
(1) |
逻辑函数与普通代数中的函数相比较,有两个突出的特点。
①逻辑变量和逻辑函数只能取两个值0和1。
②函数和变量之间的关系是由“与”、“或”、“非”3种基本运算决定的。
逻辑函数通常有四种表示方法,即真值表、函数表达式、逻辑图和卡诺图。先介绍前3种表示方法,卡诺图的方法在逻辑函数的化简章节中详细介绍。下面结合一个实例来讲解。
例如,如图1所示,有一个T形走廊,在相会处有一盏路灯,在进入走廊的A、B、C三地各有一个控制开关,都能独立地进行控制。
 |
| 图1 三地控制一灯示意图 |
控制要求:
任意闭合一个开关,灯亮;
任意闭合两个开关,灯灭;
3个开关同时闭合,灯亮。
要求列写逻辑函数Y。
设A、B、C代表3个开关(输入变量),开关闭合状态为“1”,断开状态为“0”;灯亮Y(输出变量)为“1”,灯灭“0”。
(1)真值表
真值表是将输入逻辑变量的各种可能取值和相应的函数值排列在一起而组成的表格。www.gdzrlj.com按照上述逻辑要求,可以列出逻辑真值表(见表2)。
表2 三地控制一灯逻辑真值表
| A |
B |
C |
Y |
| 0 |
0 |
0 |
0 |
| 0 |
0 |
1 |
1 |
| 0 |
1 |
0 |
1 |
| 0 |
1 |
1 |
0 |
| 1 |
0 |
0 |
1 |
| 1 |
0 |
1 |
0 |
| 1 |
1 |
0 |
0 |
| 1 |
1 |
1 |
1 |
输入变量的取值组合数随着输入变量个数不同而不同:两个输入变量的取值组合有4种;3个输入变量的取值组合有8种;……;如果有n个输入变量,则有2n种取值组合。为避免遗漏,各变量的取值组合应按照二进制递增的次序排列。
从表2可以看出,用真值表表示逻辑函数有以下特点。
①直观明了,输入变量取值一旦确定后,即可在真值表查出相应的函数值。
②把一个实际的逻辑问题抽象成一个逻辑函数时,使用真值表是最方便的。所以,再设计逻辑电路时,总是先根据设计要求列出真值表。
③真值表的缺点是,当变量比较多,表比较大,显得过于繁琐。
(2)函数表达式
函数表达式就是由逻辑变量和“与”、“或”、“非”3种运算符所构成的表达式。逻辑函数表达式可根据真值表写出,如表2所示。
方法:在真值表一次找出函数值等于1的变量取值组合,写出与该取值组合对应的自变量乘积项。“1”写成原变量,“0”写成反变量。然后把这些乘积相加,就得到相应的函数表达式了。
根据表2所示逻辑真值表写出逻辑函数表达式为
 |
(2) |
用逻辑函数表达式表示逻辑函数,便于研究逻辑电路,通过对逻辑函数式的化简,可以简化逻辑电路。缺点:逻辑函数式所表达式的逻辑关系不直观。
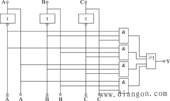
(3)逻辑图
逻辑图就是由逻辑图形符号及其之间的连线而构成的图形。由函数表达式可以画出其相应的逻辑图。
方法:根据逻辑函数表达式中个逻辑变量运算的优先级顺序画出逻辑电路图。
在逻辑函数表达式(2)中,优先级最高的是非运算,其次是与运算,最后是或运算。根据该优先级顺序依次画出逻辑图(见图2)。
 |
| 图2 三地控制一灯逻辑图 |