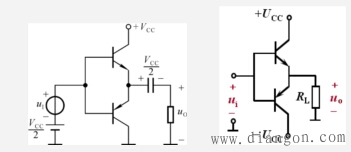
1.功率放大电路的特点 1)大信号工作,采用图解分析法。 2)功率、效率、非线性失真为主要技术指标。 3)功率器件通常工作在极限状态,保证其安全工作非常重要。 2.功率放大电路的几种工作状态 1)甲类工作状态,晶体管的导通角θ=2π,最大效率为50%。 2)乙类工作状态,晶体管的导通角θ=π,最大效率为78.5%。 3)甲乙类工作状态,晶体管的导通角π<θ<2π,最大效率介于甲类和乙类之间。 3.功率放大电路的类型 1)变压器耦合功率放大电路 变压器耦合功率放大电路的优点是可实现阻抗变换,缺点是体积庞大、笨重、消耗有色金属,且效率低,低频和高频特性较差。 2)无输出变压器的功率放大电路 无输出变压器的功率放大电路(简称OTL电路)用一个大电容代替了变压器,如图1所示。该电路在静态时电容上的电压为VCC/2。由于一般情况下功率放大电路的负载电流很大,电容容量常选为几千微法,且为电解电容。
 图1 OTL电路 图2 OCL电路 3)无输出电容的功率放大电路 无输出电容的功率放大电路(简称OCL电路)如图2所示。此电路采用正、负电源交替供电,两个晶体管轮流导通,输出与输入之间双向跟随。静态时两个管子均截止,输出电压为零。 4)桥式推挽功率放大电路 桥式推挽功率放大电路(简称BTL电路)如图3所示。
 图3 桥式推挽功率放大电路 该电路为单电源供电,且不用变压器和大电容。静态时管子均处于截止状态,负载上的电压为零,效率高。但是电路的输入和输出均无接地点,因此有些场合不适用。 OTL、OCL和BTL电路各有优缺点,且均有集成电路,使用时应根据需要合理选择。
|