不同形式交流发电机的电路连接方式及原理
时间:2023-03-11来源:佚名
|
1、9管交流发电机 9管交流发电机的特点是除了常用的6个二极管外,又增加了3个小功率二极管,专门用来供给磁场电流,又称为磁场二极管。采用磁场二极管后,可以省去充电指示灯继电器,其线路连接关系如图所示。
2、8管交流发电机 8管交流发电机除了三相桥式整流电路的6个二极管外,还具有2个中性点二极管,利用中性点二极管的输出可以提高发电机的输出功率。如图所示。
发电机高速运转时: 1)当中性点电压的瞬时值高于输出电压(14V)时,从中性点输出电流,如图2—11a所示。 其输出电路为:定子绕组→中性点二极管VD7→负载和蓄电池→负极管→定子绕组。 2)当中性点电压瞬时值低于负极电位时,流过中性点二极管VD8的电流如图2—11b所示。 其输出电路为:定子绕组→正极管→B接线柱→负载和蓄电池→中性点二极管VD8→定子绕组。 当交流发电机输出电流时,中性点的电压含有交流成分,即中性点三次谐波电压,且幅值随发电机的转速而变化。如图所示。
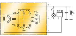
3、11管交流发电机 11管交流发电机由6个三相桥式整流二极管,3个磁场二极管和2个中性点二极管组成,如图所示。 11管交流发电机兼有8管与9管交流发电机的特点和作用。
|












