实际电压源与实际电流源等效变换的条件是什么?
|
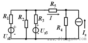
一个实际的电源,就其外部特性而言,既可以看成是一个电压源,又可以看成是一个电流源。若视为电压源,则可用一个电压源US与一个电阻RS相串联表示;若视为电流源,则可用一个电流源IS与一个电阻RS相并联表示。若它们向同样大小的负载供出同样大小的电流和端电压,则称这两个电源是等效的,即具有相同的外特性。实际电压源与实际电源等效变换的条件为: 电压源的外特性和电流源的外特性是相同的。因此,电源的两种电路模型,即实际电压源和实际电流源,相互间是等效的,可以进行等效变换,其变换条件为IS=US/RS,或US=ISRS。 但是,电压源和电流源的等效关系只是对外电路而言的,对电源内部则是不等效的。当电压源开路时,I=0,电源内阻RS上不损耗功率;当电流源开路时,电源内部仍有电流,内阻RS上有功率损耗。当电压源和电流源短路时也是这样,两者对外电路是等效的(U=0,IS=US/RS),但电源内部的功率损耗也不一样,电压源有损耗,而电流源无损耗(RS被短路,其中不通过电流)。 注意: ① 变换关系包括数值变换和方向变换: 数值:IS=US /RS,或US=IS RS 方向:电流源电流方向从电压源正极性发出 ② 理想电压源与理想电流源不能相互转换。因为对于理想电压源( ③进行电路计算时,恒压源串电阻和恒流源并电阻两者之间均可等效变换,Rs不一定是电源内阻。 例1运用电源的等效变换求下图电路中的支路电流I。
例1图 分析:电压源串联电阻可以等效变换为电流源并联电阻,大小满足
此时, 上图中电流源I1和I3所在直流的电流可合并,电阻R1和R3并联,可合并,得到
求解上述电路得到
最后解得: |
),其短路电流IS为无穷大;对于理想电流源(
),其开路电压U0为无穷大,都不能得到有限的数值,故两者之间不存在等效变换的条件。
,因此先统一上图电源形式,将左边支路的电压源串联电阻等效变换为电流源并联电阻,如下图所示。变换过程中注意电压源正负极性与电流源电流的关系:电流源电流从电压源正极性发出。
,






