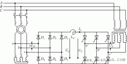
绕线式异步电动机晶闸管串级调速,是在绕线式异步电动机的转子回路中串联晶闸管逆变器,借以引入附加可调电势,从而控制电机转速的一种调速方法。由于它具有良好的调速特性,并能将电动机的转差功率回馈电网,效率较高,价格较低,因此在风机和泵类负载方面获得广泛应用,在只要求电机运行在第一象限的生产机械中也获得普遍应用。 绕线式异步电动机晶闸管串级调速系统主回路接线原理图如图所示。
 转子在不同的转速下感应出转差频率的电压,经一组不控的三相桥式变流器变成直流电压,此电压再经一组全控桥式变流器实现有源逆变,把电能(转差功率)馈送回电网中去。改变逆变角的大小,即可改变馈送回电网电能的多少,从而达到改变电机转速的目的。
|