硬件:西门子CPU224CN(6ES7214-1BD23-0XB8);台达DVP14SS211R(V3.02A2) 软件:PC系统Microsoft Windows XP Professional SP3 台达编程软件WPLSoft 2.38 西门子200编程软件V4.0 STEP 7 MicroWIN SP9 Modbus是公开的通信协议,支持单主站的主/从通信模式,通信简单易用,很多厂商的产品都支持。西门子200CN系列机之间使用的PPI网络,台达DVPSS/ES/EH小型系列机之间使用的plc-LINK网络,三菱FX系列小型机之间使用的N:N网络……以上各家通讯虽然称呼不同,但都是建立在RS485传输基础上符合基本Modbus通讯协议,可见Modbus通讯还是蛮有群众基础的。^_^ 同品牌PLC采用厂家提供的通讯方式组网简单易用,相信大家对于以上提到的诸如PPI网络、PLC-LINK网络、N:N网络耳熟能详,使用起来轻车熟路。那么如果不同品牌PLC之间通讯,将又如何连接呢?例如一台西门子CPU224CN与一台台达DVP14SS211R之间通过Modbus通讯连接。 CPU224CN和DVP14SS211R均提供有支持Modbus标准协议的RS485通讯口,前面说过Modbus是公开的通信协议,所以我们有望将两者连接起来通讯。 1、硬件连接 西门子200CN通讯口定义如下:
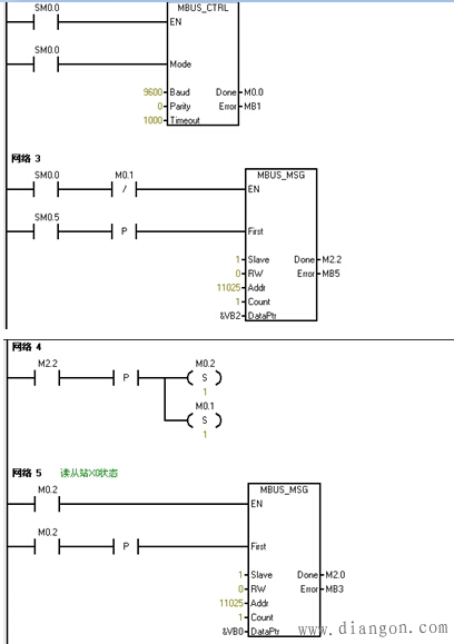
 图1 台达DVP14SS211R的RS485通讯口COM2提供的是一个简单的2位插针式接线端子。 通讯硬件连接只需要将西门子9针接口的3、8对应连接到台达2位插针式接线端子(RS485口)的 、-上。 2、软件编程 连接好硬件后接下来就要规划逻辑程序了。不妨使用224CN作主站,DVP14SS211R作从站(1#),当224CN读到1#从站X0为1时,输出Q0.0=1;当224CN 接收到自身I0.0信号时,DVP14SS211R的输出Y0=1,即从站的输入X0状态决定主站输出Q0.0状态,主站输入I0.0状态决定从站输出Y0状态。 主站224CN程序:
 图2
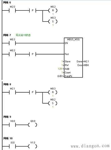
 图3 从站(1#)DVP14SS211R的程序:
 图4 3、注意事项 1.对于从站台达PLC来说,不存在数据交换逻辑处理问题,仅仅需要PLC上电第一个扫描周期完成COM2通讯口初始化。即设置COM2通讯口的通讯参数:波特率:9600bps,数据长:8位,校验:无校验,停止位:2;设置COM2口站号(通讯地址);设置Modbus模式(RTU模式);并且运行期间保持这些参数不被更新。这个工作熟悉台达编程参看一下图4很容易理解。 2.通讯双方必须设置相同的通讯参数才能握手交换数据,对于主站西门子224CN来说,也应该在上电工作首个扫描周期完成PORT 0通讯端口的初始化工作。注意西门子通讯口初始化需要程序设置完成1.改变通讯口支持Modbus协议(因为西门子默认状态通讯口支持PPI协议);2. 设置波特率:9600bps;设置校验:无校验;3.由于是主站,还需要设置一个通讯超时时间;4.对于停止位与数据长度这里不需要设置,使用2位停止位、8位长度即可。参见图2网络2 3.图2网络3主站每秒读一次从站X0的状态,实质起了一个建立起通讯连接的作用。 4.主站与从站建立起通讯连接后图2网络4触发读从站X0状态工作。 5.完成读从站X0状态工作后图3网络6触发写从站Y0状态工作。 6.完成写从站Y0状态工作后图3网络8又触发开始读从站X0状态工作,这样随着PLC扫描周而复始不断执行对从站读X0状态以及写Y0状态的工作。 7.图3网络9与10完成读写状态的逻辑。 4、参考资料 1.台达plc编程手册中有关DVP系列PLC装置通讯地址。 2.西门子 S7-200 · LOGO! · SITOP 参考Beta Version 1.3。 3.以上资料在各自官方网站均提供有下载。
|