开合螺母机构
时间:2023-03-11来源:佚名
|
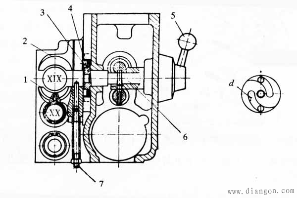
车螺纹时,进给箱将运动传递给丝杠。合上开合螺母,就可带动溜板箱和刀架。 图L1 开合螺母机构 开合螺母机构见图L1,由下半螺母1和上半螺母2组成,它们都可以沿溜板箱中竖直的燕尾形导轨上下移动。每个半螺母上装有一个圆柱销3,它们分别插进槽盘4的两条曲线槽d中。车削螺纹时,转动手柄5,使盘4转动。两个圆柱销带动上下螺母相互靠拢,于是,开合螺母就与丝杠啮合。盘4上的偏心圆弧槽d接近盘中心部分的倾斜角比较小,使开喝螺母闭合后能自锁。限位螺钉7用以调节丝杠与螺母的间隙。 |










