工频UPS和高频UPS电源的区别
|
目前UPS的发展方向是高频机型UPS替代工频机型UPS,因为首先高频机型UPS相比工频机型UPS来讲,不仅取消了笨重的变压器,在效率方面也是提高了近5%。可是国内的现状就是还有些户对高频机不太信任,这一方面也是因为宣传的缘故。造成了普遍用户对高频机的不信任。虽然工频机型UPS使用的历史比较长,但由于它固有的缺点想真正提高机房节能是不太可能实现的,如图1所示。 技术总是在发展的,新技术代替旧技术是历史的发展规律。然而,新旧之间的替代与转换一般并不是那么顺利,人类社会是这样,自然、科技领域也是如此。现在的电子技术已进入数字化时代,这是不可逆转的技术发展规律,各行各业迟早都要集中到这一条路上来,但就某一个时期来说发展是不平衡的,这中间有很多因素的影响,比如各自的技术发展水平不同,人员对新技术的认识和接受能力不同等等。具体到UPS领域又何尝不是如此。 静止变换式工频机结构UPS技术出现在上个世纪70年代,毫无疑问在当时属尖端技术,几十年间也为电子电器技术领域作出了不朽的贡献,有口皆碑。一般说任何技术的先进性是相对而言,任何先进的产品也有其一定的适用期。随着IT技术的出现与发展,工频机UPS组件暴露出它的缺点,比如体积大、重量大、功耗大和输入功率因数低等不利因素大大影响了数据中心的可靠性。 在历史发展中总是遵循这样一个规律:每当一种技术阻碍生产力发展时,就会有一种新的技术产生出来代替。毫不例外,高频机UPS技术问世了。为了区别以前的UPS,就起了一个高频机UPS的名字。原来那种输入输出都工作在50Hz并且有输出变压器的老的电路结构就称作工频机UPS;而这种输入输出电路都工作在20kHz以上且没有的输出变压器的电路就称为高频机UPS。 二、高频UPS比工频机UPS有哪些优点 1、 输入功率因数高 工频机UPS一般在200kVA以下的输入电路都采用了可控硅6脉冲整流,输入功率因数不超过0.8,谐波电流有30%之大。如果前面接发电机,发电机的容量至少要3倍于UPS功率;如果是单相小功率UPS,发电机的容量至少要5倍于UPS功率。 但是,任何容量的高频机UPS的输入功率因数都可做到0.99或甚至以上,谐波电流小于5%,前置发电机的容量理论上和UPS功率相同,大大缩减了投资和占地面积等。尤其是对市电的充分利用具有良好的经济意义和社会意义。 2、 本身功耗小 在同样指标下,比如要求输入功率因数为0.95以上时,工频机UPS就必须外加谐波滤波器或改为12脉冲整流,就是说前面要增加一个设备,再加上输出变压器,就比高频机UPS多了两个环节,如图1所示。由于此二者的影响,使得工频机UPS的效率比高频机UPS低5%。在同样是100kW的容量时工频机UPS每年要比高频机UPS多消耗5万度电!这在中央号召节能减排的今天,能源的节约具有深远意义。
图1 高输入功率因数下的工频机UPS和高频机UPS结构方框 3、 对外干扰小 UPS的干扰一般有两种,一种是听得到的机械噪声,一种是听不到的电噪声,这两种噪声工频机UPS都有,形成了对设备和对人的伤害。电噪声影响机器的稳定度,机械噪声影响人的身心健康,降低工作效率。 而高频机UPS由于工作在20kHz以上,20kHz是人的耳朵听不到的频率,使工作环境安静下来。又由于一般的高频机UPS的输入功率因数高达0.99以上,几乎是线性,所以对外干扰几乎为零。 4、 体积小、重量轻 工频机UPS由于有了输出变压器和适应50Hz的电感电容等低频器件使得体积重量都很大。比如某品牌200kVA工频机UPS重1380kg,而同是这一厂家的250kVA高频机 UPS 重量只有830kg。 5、全数字技术 工频机UPS开始是模拟技术,现在一般发展为数字与模拟相结合的技术。模拟技术的可靠性要比数字技术低。而高频机UPS技术是一种全数字化技术,不言而喻,可靠性是很高的。 6、对电网的适应能力强 工频机UPS对于适应输入电压±15%的变化已很不易;而高频机UPS甚至适应输入电压±30%以上的变化,这又大大延长了UPS的电池寿命。 7、能将并机环流衰减到几乎为零 工频机UPS的并联就是变压器的直接并联,而变压器的直接并联最容易产生环流,而且这个环流的路径畅通无阻,如图2(a)所示;高频机UPS由于没有输出变压器,它们的并联如图2(b)所示,可以看出这里的环流路径上处处是障碍,小于2V的电压差根本形不成环流,而工频机UPS在此情况下就会形成很大的环流。
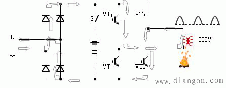
图2 两种UPS并联方框图 总之,高频机UPS在性能上不但能完全替代工频机UPS,而且还具有很多后者没有的特点。 工频机UPS的生产厂商和推销者为了延长产品的销售寿命,在其他性能指标上无法与高频机 UPS抗敌,就把希望寄托在输出变压器上,因为高频机 UPS没有这个变压器,再加之一些用户缺乏技术概念,于是就赋予了变压器很多具有神秘色彩的功能。比如这个变压器可以抗干扰、可以缓冲负载浪涌电流、可以隔直流、可以适应电网电压的冲击和变化,等等。 在这里,不要忽略电源的基本功能,UPS是电压源,电压源的基本功能是输出电压动态性能要好,即无论负载在允许范围内如何变化,电压总是稳定的。根本不允许变压器对负载进行什么“抵抗”或“缓冲”。 图3 全桥逆变器UPS输出变压器原理图 有的人就表示,这个变压器是为了在逆变器功率管损坏时隔断直流电流到负载的通路而加入的,对此说法不妨做一个探讨,看一看变压器是否有阻隔直流的功能。图3示出了一般变压器的工作情况。首先承认这种变压器是变换交流电的,如图中正弦波。(http://www.gdzrlj.com/版权所有)假如不用来变换交流电而是施加直流,如图2中将电池组开关S闭合,由于变压器绕组内阻相当小(近似于短路)就会在电池组和变压器初级绕组之间形成相当大的电流,一直到将电池组或导线或绕组烧断为止。换言之,这种电源变压器不能加直流。 下面就来讨论逆变器功率管损坏情况。逆变器功率管的损坏有两种情况:断开或穿通(短路)。图4示出了UPS全桥逆变器一个功率管(比如VT2)开路(断开)的情况。从图中可以看出,在此情况下的电流路径只能是一个方向的,就是说只能输出一个极性的半波,如图中所示。一个极性就意味着含直流成分,直流电流分量在变压器初级绕组中的积累会使绕组达到饱和状态,就类似于绕组短路,形成很大的电流,以致将变压器和电池这个回路烧断时才结束。这个直流电流倒是没有进到负载端,但UPS本身烧了。 图4 全桥逆变器UPS一个功率管开路情况原理图 再看逆变器一支功率管(比如VT2)穿通(短路)的情况。只要VT4一导通就形成对前面直流电压的短路状态,如图5所示。强大的电流可将VT4瞬间炸毁,如果不是炸断就更危险,它可能会将电池组烧毁。某电子公司就因为这原因,一举烧毁了72节100AH电池。在这种情况下也是隔断了直流,同样是把自己给烧毁了。 以上两种情况都是用烧毁UPS本身的代价而保护了IT设备,这对IT设备用户是不是就算是一种福音呢?当然不是,因为不论是烧毁UPS还是IT设备都会使系统崩溃而无法继续工作。
图5 全桥逆变器UPS一个功率管穿通情况原理图 如果UPS供电设备在逆变器功率管损坏的情况下不但保护了IT设备,同时也保证了本身的安然无恙,这样的隔直流功能才有实际意义,这才是用户真正需要的。 在大功率三相UPS中这个变压器具有隔断三次谐波的能力,但必须是D-Y连接,如图6所示。可惜的是这种连接方法消除的是线电压上的三次谐波,而相电压上的谐波不能消除, 图6 UPS输出三相变压器的连接 如图6右图所示。再说逆变器本身产生的三次谐波几乎为零,根本不用到输出端去消除。而负载大都用相电压220V,并且还破坏相电压波形而产生三次谐波。因此在这里谈什么消除三次谐波好像没有实用价值。 工频机UPS输出变压器的基本功能就是变压和产生隔离接地点,其他功能只是想像中的一种美好愿望。 三、高频机UPS与工频机UPS的现状 因为高频机UPS对技术与工艺以及生产手段的要求非常严格,一般也不容易防制,20kHz以上的高频机UPS容量都小于100kVA,只有少数制造厂的技术真正过关,并且已显示出强大的生命力。在大功率范围虽然不能做到20kHz,但可以采用高频机结构,比如用IGBT高频整流(相对于50Hz而言),频率一般在15kHz以下,多数厂家已可做到200kVA,但也有佼佼者,比如秀康10年前就可做到8kHz/480kVA,伊顿9395也可做到15kHz/1200kVA,并已成为美国的军方指定产品。这说明高频机结构UPS技术早已成熟。在我国军方和金融等重要部门也纷纷采用,并收到了良好的效果。 当然工频机结构UPS在这种情况下的日子会越来越艰难,好在是还有那么一批厂家的高频机结构UPS没有过关,还得主推工频机UPS,作为市场手段多说一些当前用工频机UPS更合适之类的语言,多说一些工频机的好处和多找一些高频机的缺点均属正常现象,这可以理解,也可能是认识问题。但不要认为工频机UPS技术永远不落后。从科学发展观来说,以后一段时间内无疑是高频机UPS的市场。不可否认,高频机UPS同样也有退出历史舞台的一天,当然那是后话。 四、所谓两个发展方向 现在有一种说法:高频机UPS和工频机UPS是两个发展方向。这就使人糊涂了:
总之,这种观点不外乎说:高频机UPS与工频机UPS并存;节能减排与浪费能量和资源并存;先进与落后并存…所谓技术上的并存应该是不可替代的,比如自行车虽然比汽车跑得慢,但它们在一定程度上是互相不可替代的;而这里的UPS技术却是可以完全替代的。这就像汽车2型可以替代1型,3型可以替代2型一样的道理。 |











