1.概述
A/D 转换器用以实现模拟量向数字量的转换。 按转换原理可分为 4 种 : 计数式、 双积分式、逐次逼近式以及并行式 A/D 转换器。 逐次逼近式 A/D 转换器是一种速度较快 , 精度较高的转换器 , 其转换时间大约在几微秒到几百微秒之间。 逐次逼近式 A/D 转换器基本原理

2.A/D 转换器的主要技术指标 (1)分辨率 使输出数字量变化一个相邻数码所需输入模拟电压的变化量。常用二进制的位数表示。 例如 :12 位 ADC 的分辨率就是 12 位,一个 10V 满刻度的 12 位 ADC 能分辨 输入电压变化最小是 : 10V × 1/212=2.4mV (2)量化误差 (3)偏移误差 (4)满刻度误差 (5)线性度 (6)绝对精度 (7)转换速率 3.典型 A/D 转换器芯片 ADC0809 简介 ADC0809 是 8 位 A/D 转换器。分辨率 8 位,带 8 个模拟量输入通道,有通道地址译码锁存器,输出带三态数据锁存器。




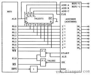
ADC0809 与 8031 的中断方式 接口电路
这里将 ADC0809 作为一个外部扩展的并行 I/O 口 , 直接由 8031 的 P2.0 和 WR 脉冲进行启动。因而其端口地址为 0FEFFH 。用中断方式读取转换结果的数字量 , 模拟量输入通道选择端 ADD A、 ADD B、 ADD C 分别与 8031 的 P0.0、 P0.1、 P0.2 直接相连 , CLK 由 8031 的 ALE 提供。 其读取通道 0 转换后的数字量程序段如下 : ORG 1000H INADC: SETB IT1 ; INT1 设为边沿触发 SETB EA ; 开中断 INT1 SETB EX1 MOV DPTR, # 0FEFFH ; 端口地址送 DPTR MOV A, # 00H ; 选择 0 通道输入 MOVX @DPTR, A ; 启动输入 … ORG 0013H AJMP PINT1 PINT1: … MOV DPTR, # 0FEFFH ; 端口地址送 DPTR MOVX A, @DPTR ; 读取 IN0 的转换结果 MOV 50H, A ; 存入 50H 单元 MOV A, # 00H MOVX @DPTR, A ; 启动 A/D, IN0 通道输入并转换 RETI ; 返回 |