数控铣床编程指令介绍
时间:2023-03-11来源:佚名
|
1、简化数控编程功能Fanuc (1)镜像功能
程序段格式为 G51.1 X_ Y_;开 G50.1 X_ Y_;关 (2)旋转功能
程序段格式为 G68 X_ Y_ R_ ;开 G69 X_ Y_ ;关 R 单位:0.001degree (3)比例缩放
程序段格式为 G51 X_ Y_ Z_ P_ ; 或 G51 X_ Y_ Z_ I_ J_ K_ ; 执行顺序: 比例→旋转→补偿 2、螺旋线插补指令 程序段格式为 G02/G03 X_ Y_ Z_ I_ J_ K_ F_ ; G02/G03 X_ Y_ Z_ R_ K_ F_ ; 举例:
3、子程序调用指令M98、M99
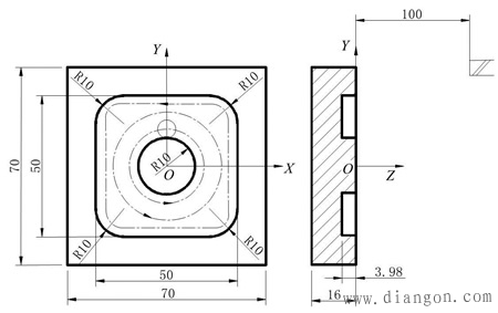
4、铣削编程实例
![]() O1000; N10G92 X35.0 Y35.0 Z150.0; N15S500 M03; N17G90 G00 X0 Y14.0 Z1.0 M08; N20G01 Z-3.98 F100; N30G03 X0 Y14.0 I0.0 J-14.0; N40G01 Y20.0; N50G03 X0.0 Y20.0 I0 J-20.0; N60G41 G01 X0 Y25.0 D01; ![]() N65G01 X-15.0; N90G03 X-25 Y15 I0 J-10; N100 G01 Y-15; …… N142 G03 X15 Y25 I-10 J0; N143 G01 X0; N150 G00 Z150; N160 G40 X35 Y35 M09; N160 M30; |













