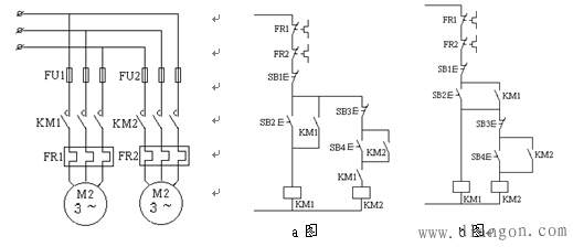
顺序控制——保证操作的合理和工作的安全可靠(按一定顺序工作的联锁要求)。 a电路:KM1的常开触点接在M2电机的控制回路中。 控制特点:保证只有在M1起动后,M2才能起动。 b电路:M2电机的控制电路接在KM1的常开触点之后。
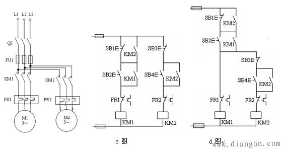
 控制特点:保证只有在M1起动后,M2才能起动。 车床的主轴电动机M1、油泵电动机M2的工作顺序要求: 1)、油泵电动机M2起动后主轴电动机M1才允许起动。 2)、主轴电动机M1停止后油泵电动机M2才允许停止。

c(d)电路:KM2的常开触点并接在SB1的两端。 控制特点:1)起动时必须M1起动后,M2才能起动。 2)停止时必须M2先停机,M1才能停止。 3)过载保护在各自的控制电路中。 结论: 1)、要求甲接触器动作后乙接触器才能动作,则将甲接触器的常开触点串在乙接触器的线圈电路。 2)、要求甲接触器停止后乙接触器才能停止,则将甲接触器的常开触点并接在乙接触器的停止按钮。 |