用一组电源供电的变频器驱动电路

时间:2023-03-11来源:佚名

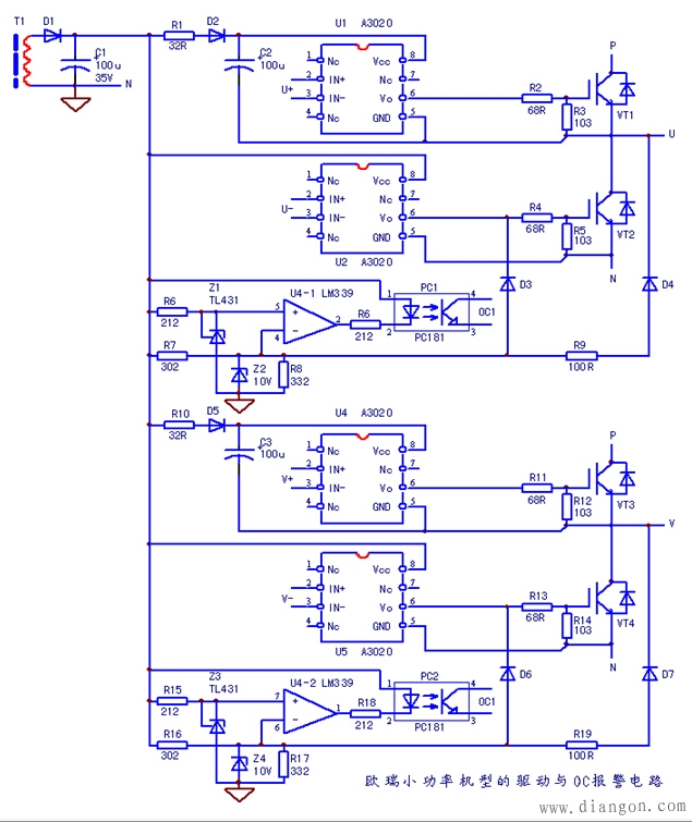
如题。欧瑞小功率机型,有采用如图一所示的驱动电源,电路构思非常巧妙。并且用电压比较器与驱动IC相配合,能同时对驱动IC的工作状态及IGBT管压降进行检测,相当不错。
用一组电源供电的变频器驱动电路

图一 驱动供电、驱动IC状态与IGBT管压降检测电路
图一中仅画出了U、V两路驱动及OC检测电路,W相驱动及检测省略未画。为便于信号分析,将电路中元件重新进行了序号标注。以U相驱动及OC检测电路为例,试加分析。
1、驱动供电回路与脉冲传输过程
在停机状态,驱动电路U2的5、8脚供电端可测到17V供电,但在U1的供电端,测其供电电压为0V。由测绘电路分析方知,C2在脉冲传输过程中有一个动态的充、放电过程,其放电能量提供U1的供电——VT1导通的驱动电流。工作过程中,当U2工作VT2导通时,相当于短接了U、N端,C2负端瞬时接N端形成充电电流,此时VT1处于截止状态;此后,VT2截止,U1工作,VT1导通,C2充电能量经VT1的G-射极回路泄放(VT1激励而导通)。C2在工作过程中被反复充、放电,VT1得到激励脉冲的前提,是VT2首先能够正常导通。
图中D2、D5为隔离二极管,其反向耐压要高,能足以抵抗VT1、VT3导通时所施加的反向电压。C2、C3的高频特性要好,并且应有足够的充、放电能量,以实现对VT1、VT3的可靠激励。
2、驱动IC的状态检测与IGBT管压降检测电路
电压比较器U4、光耦PC1和Z1、Z2、D3、D4等元件构成了驱动IC的状态检测与IGBT管压降检测电路。U4的同相输入端5脚为R6、Z1所形成2.5V基准电压,而反相输入端4脚此时因U2的6脚为0V,D3导通使U2的4脚也为低电平(约0.7V)。在U-脉冲到来期间,若因故障原因至VT2未能正常导通时,D4反偏截止,U4的反相端输入端电压高于同相输入端电压,输出端变为低电平,PC1将OC1故障信号输送入MCU主板电路。此处D3、D4与U4的4脚电路,构成或门信号控制方式,在U-脉冲到来期间,若U2的6脚仍为低电平(未能正常传输脉冲信号),电路也会启动OC报警程序,实现故障报警。因而该电路同时又实现了对驱动IC工作状态的检测。
检测驱动电路,实在找不到供电电源电路时,思考一下,你也许遇到了图一所示的驱动供电电路。

    热销商品

    加厚abs安全帽电工建筑工地程施工领导监理透气防砸头盔可印字V型

    这款加厚ABS安全帽专为电工、建筑工地施工人员、领导及监理设计,采用高强度ABS工程塑料,抗冲击、防砸性能优异,有效保障头部安全。帽体加厚设计,增强耐用性与防护等级...
    5.8

    水口钳高硬度模型剪钳电子钳工业级口水剪斜嘴钳偏口斜口专用钳子

    水口钳高硬度模型剪钳是一款工业级精密工具,专为电子、模型制作及精细作业设计。采用优质高碳钢材质,经热处理工艺打造,具备卓越的硬度和耐磨性,可轻松剪切金属引脚、...
    4.8

    170电子剪钳II 如意斜口钳 工业斜嘴钳水口钳 模型剪塑胶钳尖嘴钳

    170电子剪钳II如意斜口钳是一款专业级精密工具,集工业斜嘴钳、水口钳、模型剪、塑胶钳与尖嘴钳功能于一体,适用于电子维修、模型制作、手工艺及精密作业。其采用优...
    4.5

    安全帽国标工地加厚施工领导透气安全头盔建筑工程监理免费印字

    本款安全帽严格遵循国家GB 2811-2019标准,专为建筑工程、工地施工及监理人员设计。采用高强度ABS工程塑料,加厚壳体有效抗冲击,保障头部安全。帽体轻盈透气,内置可调...
    10

    包邮三角型简易螺丝刀三角十字螺丝刀螺丝批改锥起子五金工具5mm

    这款5mm三角型简易螺丝刀,专为拧紧或拆卸三角形螺丝设计,适用于电子维修、家电维护及精密仪器装配等场景。采用优质合金钢材质,刀头硬度高、耐磨损,确保长久使用不变...
    3.64

    网站栏目