脉冲产生电路_脉冲发生电路
时间:2023-03-13来源:佚名
|
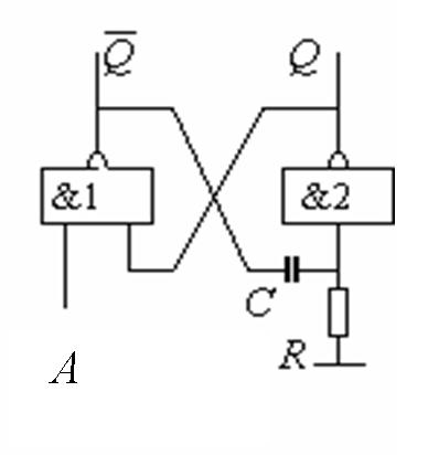
1、多谐振荡器
对称多谐振荡器: 基础知识
分析方法
T = t W1 t W2 若 R 1 = R 2 , C 1 = C 2 , 则 T = 2 t W =1.4 RC “ 多谐 ”
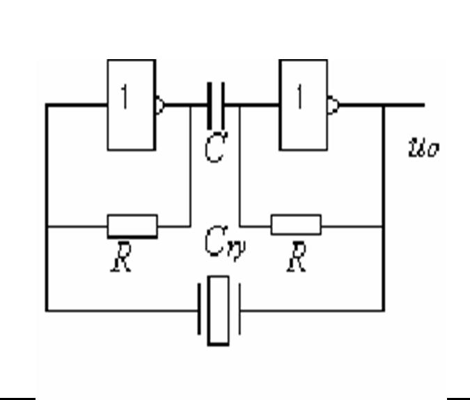
其他多谐振荡器:
2、晶体振荡器
|
|
1、多谐振荡器
对称多谐振荡器: 基础知识
分析方法
T = t W1 t W2 若 R 1 = R 2 , C 1 = C 2 , 则 T = 2 t W =1.4 RC “ 多谐 ”
其他多谐振荡器:
2、晶体振荡器
|





