集电极开路TTL “ 与非 ” 门(OC门)
时间:2023-03-13来源:佚名
|
TTL 门输出端并联问题
当将两个 TTL “ 与非 ” 门输出端直接并联时产生一个大电流 1、抬高门2输出低电平 2、会因功耗过大损坏门器件 注: TTL输出端 不能直接并联
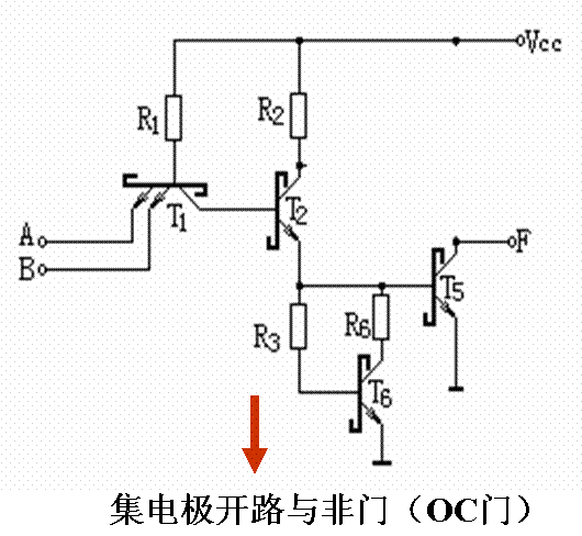
· OC门的结构
当输入端全为高电平时, T 2 、 T 5 导通,输出 F 为低电平; 输入端有一个为低电平时, T 2 、 T 5 截止,输出 F 高电平接近电源电压 V C 。 OC 门完成 “ 与非 ” 逻辑功能
· OC 门实现 “ 线与 ” 逻辑
· 负载电阻 R L 的选择 (自看作考试内容)
· OC 门应用 -- 电平转换器 OC 门需外接电阻,所以电源 V C 可以选 5V — 30V ,因此 OC 门作为 TTL 电路可以和其它不同类型不同电平的逻辑电路进行连接
三态逻辑门(TSL) 三态门( 除具有 TTL “ 与非 ” 门输出高、低电平状态外,还有 第三种输出状态 — 高阻状态 ,又称 禁止态或失效态 ) 工作原理
当 E= 0 时, T 4 输出高电平 V C = 1 , D 2 截止,此时后面电路执行正常与非功能 F=AB
· 三态门的应用
1. 三态门广泛用于数据总线结构 任何时刻只能有一个 控制端有效,即只有 一个门处于数据传 输,其它门处于禁止 状态 2. 双向传输 当 E=0 时,门 1 工作,门 2 禁止,数据从 A 送到 B ; E=1 时,门 1 禁止,门 2 工作,数据从 B 送到 A 。 |


















