AD7520 D/A 转换器原理
时间:2023-03-13来源:佚名
|
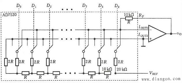
AD7520是10位CMOS电流开关型D/A转换器,其结构简单,通用性好。AD7520芯片内只含倒T形电阻网络、CMOS电流开关和反馈电阻(R=10kΩ),该集成D/A转换器在应用时必须外接参考电压源和运算放大器。由AD7520采用内部反馈电阻组成的D/A转换电路如图1所示,图中虚线内部分为AD7520内部电路。AD7520芯片引脚如图2所示。
![]() 图1 AD7520内部电路
![]() 图2 AD7520引脚图
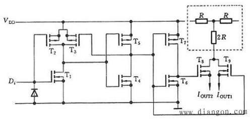
![]() 图3 CMOS模拟开关电路
图1中每个电子开关的实际电路如图3所示。它是由9个MOS管组成的CMOS模拟开关电路。图中T1~T3组成电平转移电路,使输入信号能与TTL电平兼容。T4、T5及T6、T7组成两个反相器,分别作模拟开关管T8、T9的驱动电路,T8、T9构成单刀双掷开关。 当Di=1时,T1输出低电平,T4、T5反相器输出高电平,而T6、T7反相器输出低电平从而使T8截止,T9导通,2R电阻经T9截止运算放大器的反相输入端,权电流流入运算放大器。 当Di=0时,T1输出高电平,T4、T5反相器输出的低电平使T9截止,T6、T7反相器输出的高电平使T8导通,这样2R电阻经T8接地。CMOS模拟开关导通电阻较大,通过工艺设计可控制其大小并计入电阻网络。该电路具有使用简便,功耗低,转换速度较快,温度系数小,通用性强等优点。 |












