译码器的扩展
时间:2023-03-13来源:佚名
|
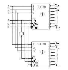
通过正确配置译码器的使能输入端,可以将译码器的位数进行扩展。例如,实验室现在只有3线-8线译码器(如74138),要求我们实现一个4线-16线的译码器。该如何设计呢?图1是其中的一种解决方案。图中A=0时,74138(Ⅱ)工作而74138(Ⅰ)不工作;A=1时,情况刚好相反。对应到输出,74138(Ⅱ)输出为Y0~Y7,74138(Ⅰ)输出为Y8~Y15,从而实现了4线-16线的译码器。这种方法主要是利用其中的一个使能输入端作为编码信号输入端,调整图中非门的位置,或采用其他使能输入端作为编码信号输入端,同样可实现4线-16线译码器。
1.译码是编码的逆过程。译码器是将输入的编码信号翻译成译码信号在相应的输出端输出。 2.译码器的输入端子数n(编码信号位数)与输出端子数N(译码信号数)之间应满足关系式2n≥N。对应的有完全和不完全两种译码方式。 3.在使能输入端为有效电平时,对应每一组输入代码只有其中一个输出端为有效电平,其余输出端为相反电平。 4.正确使用译码器的使能输入端,可以扩展其逻辑功能,实现多种应用。 |










