采用中规模集成器件实现组合逻辑电路
|
中规模集成器件的大量出现,使许多逻辑问题可直接选用相应的集成器件,既省去繁琐的设计,也可避免设计中带来的错误。 使用数据选择器实现单输出函数和使用译码器及附加逻辑门实现多输出函数是比较方便的;对某些逻辑函数,如逻辑函数输出为输入信号相加,则采用全加器实现较为方便。
表1 8选1数据选择器真值表 ![]()
![]() 图1 8选1数据选择器卡诺图 图2 例1卡诺图
n个地址输入端的数据选择器有2n个数据输入端,m变量的函数有2m个最小项,所以用只有n个地址输入端的数据选择器来实现m变量的函数,一种方法是将2n选1数据选择器扩展成2m选1数据选择器,称为扩展法。另一种方法是将m变量的函数,采用降维的方法,转换成为n变量的函数,使由2m个最小项组成的逻辑函数转换为由2m-n个子函数组成的逻辑函数,而每一个子函数又是由2n个最小项组成,从而可以用2n选1数据选择器实现具有2m个最小项的逻辑函数,通常称为降维图法。下面举例说明实现逻辑函数的方法。
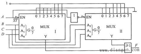
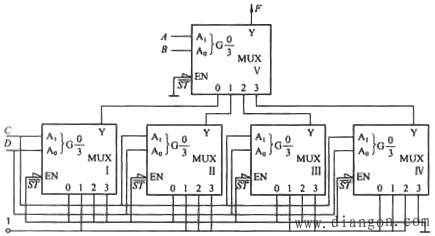
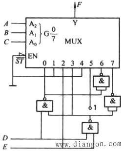
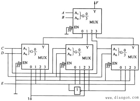
(1)扩展法 例2 用8选1数据选择器实现4变量函数 F(A,B,C,D)=∑m(1,5,6,7,9,11,12,13,14) 解:8选1数据选择器有3个地址端、8个数据输入端,而4变量函数一共有16个最小项,所以采用两片8选1数据选择器,扩展成16选1数据选择器,如图4所示。 ![]() 图4 用两片8选1MUX实现例6.2.2函数 对于例2如果用4选1数据选择器,则将4选1MUX扩展成16选1MUX,如图5所示。输入变量C、D 作片I~片IV的地址,A、B 作为片V的地址。当输入信号AB =00时,片V输出F 为片I输出Y 的信号;AB =01时,片V输出F 为片II输出Y 的信号;AB =10时,片V输出F 为片III输出Y的信号;AB =11时,片V输出F 为片IV输出Y 的信号。而各片Y 的输出又通过C、D 变量来选择,例如,变量输入ABCD =1011时,则输出F 为片IIID3的输入,F =1,相当于函数F 的m11最小项值。 ![]() 图5 用5片4选1MUX实现例2函数 (2) 降维图法 在一个函数的卡诺图中,函数的所有变量均为卡诺图的变量,图中每一个最小项小方格,都填有1或0或任意值×。一般将卡诺图的变量数称为该图的维数。如果把某些变量也作为卡诺图小方格内的值,则会减少卡诺图的维数,这种卡诺图称为降维卡诺图,简称降维图。作为降维图小方格中值的那些变量称为记图变量。 ![]() (a) F函数的卡诺图 (b) 3变量降维图 (c) 2变量降维图 图6 降维图示例
|

















