电容器的识别与检测方法

时间:2023-03-13来源:佚名

​⑴ 电容器按电容量是否可调分为固定电容器和可变电容器两大类。固定电容器按介质材料不同,又可分为金属化纸介电容器、聚苯乙烯电容器、涤纶电容器、玻璃釉电容器、云母电容器、瓷片电容器、独石电容器、铝电解电容器、钽电解电容器,等等。

电容器的识别与检测方法

⑵ 电容器的主要参数有电容量和耐压两项。电容器贮存电荷的能力叫做电容量,简称容量,基本单位是法拉,简称法(F)。在实际运用中常用微法(μF)、毫微法(nF)和皮法(pF)作单位。它们之间的换算关系是:1F=106μF,1μF=1000nF,1nF=1000pF。电容器上容量的标示方法常见的有两种:一种是直标法,如100pF的电容器上印有“100”字样;0.01μF的电容器上印有“0.01”字样;2.2μF的电容器上印有“2.2μ”或“2μ2”字样;47μF的电容器上印有“47μ”字样。

电容器的识别与检测方法

⑶ 另一种是数码表示法,一般用三位数字表示容量的大小,其单位为pF。三位数字中,前两位是有效数字;第三位是倍乘数,即表示有效数字后有多少个“0”。第三位为0~8时分别表示100~108,而9则是表示10-1。例如:103表示10×103=10000pF=0.01μF;229表示22×10-1=2.2pF”。

电容器的识别与检测方法

⑷ 电容器的好坏可用万用表的电阻挡检测。检测时,据电容器容量的大小,100μF以上的电容器用“R×100”挡,1~100μF的电容器用“R×1k”挡,1μF以下的电容器用“R×10k”挡。

电容器的识别与检测方法

⑸ 用万用表的两表笔(不分正、负)分别去与电容器的两引线相接,在刚接触的一瞬间,表针应向右偏转,然后缓慢向左回归。对调两表笔后再测,表针应重复以上过程。电容器容量越大,表针右偏越大,向左回归也越慢。对于容量<0.01μF的电容器,由于充电电流极小,几乎看不出表针右偏,只能检测其是否短路。

电容器的识别与检测方法

⑹ 检测时,如果万用表表针不动,说明该电容器已断路损坏(左图);如果表针向右偏转后不向左回归,说明该电容器已短路损坏(中图);如果表针向左回归稳定后,阻值指示小于500kΩ,说明该电容器漏电较大(右图),也不宜使用。

电容器的识别与检测方法

⑺ 电容器两电极之间是绝缘的,直流电无法通过电容器。但是交流电可以通过在两电极之间充、放电而“通过”电容器。我们可以用一句话概括电容器的基本功能:隔直流通交流。电容器的各项作用都是这一基本功能的具体应用。

电容器的识别与检测方法

⑻ 电容器具有旁路滤波作用。图示的整流电源,二极管整流出来的电压Ui是脉动直流,其中既有直流成分也有交流成分,由于输出端接有滤波电容器C,交流成分被C旁路到地,输出电压Uo就是纯净的直流了。

电容器的识别与检测方法

⑼ 电容器具有耦合作用。图示晶体管VT1集电极输出的交流信号通过电容C传到VT2基极,而VT1集电极的直流电位则不会影响到VT2基极,VT1与VT2可以有各自适当的直流工作点,这就是电容器的耦合作用。

电容器的识别与检测方法

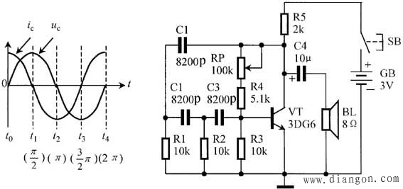
⑽ 电容器还具有移相作用。由于通过电容器的电流大小取决于交流电压的变化率,因此电容器上电流超前电压90°,具有移相作用(左图)。右图所示电子门铃电路,C与R组成三节移相网络,每节移相60°,三节共移相180°,使晶体管集电极输出电压Uc(与其基极输入电压Ub相差180°)经移相网络后与Ub同相,实现了正反馈,满足了振荡的相位条件,振荡频率f=1/(2π6RC),图示电路f≈800Hz。

电容器的识别与检测方法

⑾ 没有合适容量的电容器时,可以将若干电容器并、串联使用。若干电容器并联后,其总容量等于各电容器容量之和。例如,C1、C2并联后,其总容量C=C1 C2(左图)。若干电容器串联后,其总容量的倒数等于各电容器容量倒数之和。两个电容器C1、C2串联后,其总容量C=(C1×C2)/(C1 C2)(右图)。

电容器的识别与检测方法

⑿ 安装使用时,电容器引线不要过长或过短。需要折弯引线时,不可齐根部折弯,以防折断。在电路板上可以采用卧式安装,也可以采用立式安装,同时应注意使电容器上的标志朝向便于观察的方向,以便检测与维修。使用有极性电容器时应注意其引线有正、负极之分,极性接反了,会使漏电流大增并易损坏电容器。

电容器的识别与检测方法

⒀ 可变电容器由两组金属片组成电极,其中:一组固定不动,称为定片。另一组安装在旋轴上可以旋转,称为动片。定片与动片之间的介质有空气介质和固体介质两类。常见的可变电容器有:空气单连可变电容器、空气双连可变电容器、小型密封单连可变电容器、小型密封双连可变电容器、瓷介微调电容器、拉线微调电容器等等。

电容器的识别与检测方法

⒁ 可变电容器动片的旋转角度通常为180°,动片全部旋入定片时容量最大,全部旋出时容量最小。按容量随动片旋转角度变化的特性,可变电容器可分为直线电容式、直线频率式、对数式等。双连可变电容器的两连容量可以相等(等容式),也可以不等(差容式)。超外差收音机中的小型密封双连一般为差容式可变电容器。

电容器的识别与检测方法

⒂ 可变电容器可用万用表的电阻挡检测其有否短路现象。方法是:万用表置于“R×1k”或“R×10k”挡,两表笔(不分正、 负)分别与可变电容器的两端引线可靠相接,来回旋转可变电容器的旋柄,万用表指针均应不动。如旋转到某处指针摆动,说明可变电容器有短路现象,不能使用。(http://www.gdzrlj.com版权所有)对于双连可变电容器,应对每一连分别进行检测。

电容器的识别与检测方法

⒃ 可变电容器(包括微调电容器)在使用中必须将其动片接地,以避免调节时的人体感应,提高电路的抗干扰能力和工作稳定度。

电容器的识别与检测方法

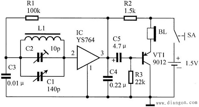
⒄ 应用举例。图示为微型集成电路收音机电路图。C1、C2与磁性天线L1组成调谐回路,调节C1即可改变谐振频率,起到选台作用;C2用于校准频率范围。C1选用最大容量140pF的超小型密封单连可变电容器。C2选用瓷介微调电容器。C3为旁路电容,为调谐回路提供交流接地通路,可选用高频瓷片电容器。C4为滤波退耦电容,可选用低频瓷片电容器。C5为耦合电容,可选用电解电容器。

电容器的识别与检测方法

    热销商品

    加厚abs安全帽电工建筑工地程施工领导监理透气防砸头盔可印字V型

    这款加厚ABS安全帽专为电工、建筑工地施工人员、领导及监理设计,采用高强度ABS工程塑料,抗冲击、防砸性能优异,有效保障头部安全。帽体加厚设计,增强耐用性与防护等级...
    5.8

    水口钳高硬度模型剪钳电子钳工业级口水剪斜嘴钳偏口斜口专用钳子

    水口钳高硬度模型剪钳是一款工业级精密工具,专为电子、模型制作及精细作业设计。采用优质高碳钢材质,经热处理工艺打造,具备卓越的硬度和耐磨性,可轻松剪切金属引脚、...
    4.8

    170电子剪钳II 如意斜口钳 工业斜嘴钳水口钳 模型剪塑胶钳尖嘴钳

    170电子剪钳II如意斜口钳是一款专业级精密工具,集工业斜嘴钳、水口钳、模型剪、塑胶钳与尖嘴钳功能于一体,适用于电子维修、模型制作、手工艺及精密作业。其采用优...
    4.5

    安全帽国标工地加厚施工领导透气安全头盔建筑工程监理免费印字

    本款安全帽严格遵循国家GB 2811-2019标准,专为建筑工程、工地施工及监理人员设计。采用高强度ABS工程塑料,加厚壳体有效抗冲击,保障头部安全。帽体轻盈透气,内置可调...
    10

    包邮三角型简易螺丝刀三角十字螺丝刀螺丝批改锥起子五金工具5mm

    这款5mm三角型简易螺丝刀,专为拧紧或拆卸三角形螺丝设计,适用于电子维修、家电维护及精密仪器装配等场景。采用优质合金钢材质,刀头硬度高、耐磨损,确保长久使用不变...
    3.64

    网站栏目