8421BCD码异步十进制加计数器与8421码同步十进制加计数器
时间:2023-03-13来源:佚名
|
二进制计数器具有电路结构简单、运算方便等特点,但是日常生活中我们所接触的大部分都是十进制数,特别是当二进制数的位数较多时,阅读非常困难,还有必要讨论十进制计数器。
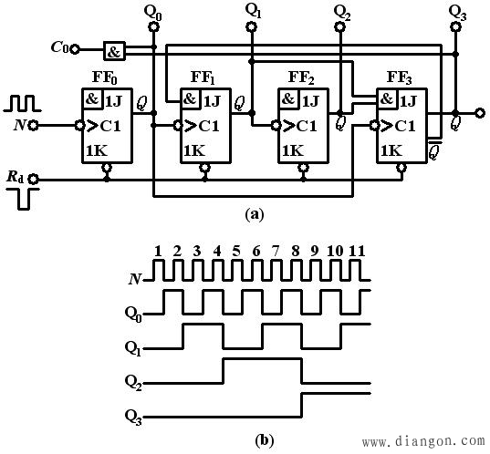
在十进制计数体制中,每位数都可能是0,1,2,…,9十个数码中的任意一个,且“逢十进一”。根据计数器的构成原理,必须由四个触发器的状态来表示一位十进制数的四位二进制编码。而四位编码总共有十六个状态。所以必须去掉其中的六个状态,至于去掉哪六个状态,可有不同的选择。这已在讲述“数制与码制”时讨论过。这里考虑去掉1010~1111六个状态,即采用8421BCD码的编码方式来表示一位十进制数。 1、 8421BCD码异步十进制加计数器 用JK主从触发器组成的一位异步十进制加计数器如图1(a)所示。 1.电路结构 由四个JK主从触发器组成,其中FF0始终处于计数状态。Q0同时触发FF1和FF3,Q3反馈到J1,Q2Q1作为J3端信号。 2.工作原理 (1)工作波形分析法 由逻辑图可知,在FF3翻转以前,即从状态0000到0111为止,各触发器翻转情况与异步二进制递增计数器相同。第八个脉冲输入后,四个触发器状态为1000,此时Q3=0,使下一个FF0来的负阶跃电压不能使FF1翻转。因而在第十个脉冲输入后,触发器状态由1001变为0000,而不是1010,从而使四个触发器跳过1010~1111六个状态而复位到原始状态0000,其工作波形如图1(b)所示。 ![]() 图1 8421BCD码异步十进制加计数器 (a) 逻辑图 (b) 工作波形
当第十个脉冲作用后,产生进位输出信号C0=Q3Q0。 (2)状态方程分析法 首先列出各触发器驱动方程:
触发器在异步工作时,若有CP触发沿输入,其状态由特征方程确定,否则维持原态不变。这时触发器的特征方程可变为Qn 1=(JQn KQn)CP↓ QnCP↓,其中CP↓=1表示有CP触发沿加入,CP=0表示没有CP触发沿加入。所以可以写出以下状态方程:
根据以上状态方程,即可列出计数器的状态转移表,如表1所示。
以上两种方法均表明该逻辑电路具有8421码异步十进制递增计数的功能。
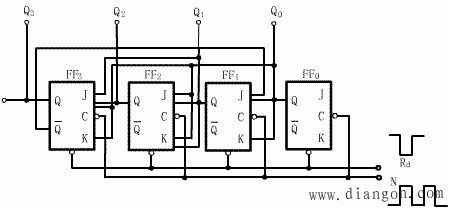
2、8421码同步十进制加计数器 1.电路结构 如图2所示,由四个主从JK触发器组成,各触发器共用同一个计数脉冲,是同步时序逻辑电路。 ![]() 图2 8421码同步十进制递增计数器
2.工作原理 (1)写出各触发器方程:
(2)将驱动方程代入JK触发器特征方程,得状态转移方程:
由于各触发器共用同一个时钟脉冲,故上式中的CP↓可忽略不写。 (3)列状态转移表 设计数器状态为Q3Q2Q1Q0=0000,根据状态方程可列出状态转移真值表,该表与表1相同(不包括CP部分)。所以该电路是8421码十进制递增计数器。 |














