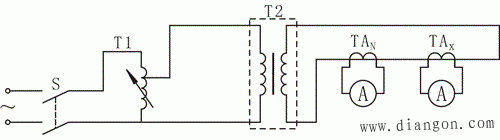
互感器的特性试验办法与电力试验变压器的根本一样。 一、测试互感器绕组的直流电阻 电压互感器一次绕组线径较细,易发作断线、短路或匝间击穿等毛病,二次绕组因导线较粗很少发作这种状况,因此交代、大修时应测试电压互感器一次绕组的直流电阻。各种类型的电压互感器一次绕组的直流电阻均在几百欧至几千欧之间,通常选用直流电阻测验仪进行测试,测试成果应与制造厂或曾经测得的数据无显着改变。 有时为了区分电流互感器一次绕组接头有无接触不良等表象,需求选用压降法和双臂电桥等测试一次绕组的直流电阻;有时为了区分套管型电流互感器分接头的方位,也运用直流电阻测验仪测试绕组的直流电阻。 二、极性试验 电流互感器和电压互感器的极性很重要,极性区分过错会使计量外表指示过错,更为严重的是使带有方向性的继电保护误动作。互感器一、二次绕组间均为减极性。极性试验办法与电力变压器一样,通常选用直流法。试验时注意电源应加在互感器一次测;测试外表接在互感器二次侧。 三、变比试验 《规程》规则要查看互感器各分接头的变比,并需求与铭牌对比没有显着不同。 1. 电流互感器变比的查看 查看电流互感器的变比,选用与标示电流互感器对对比的办法。其试验接线如图1所示。
 图1 电流互感器变比查看试验接线图 TI—单相调压器;T2—升流器; TAN—规范电流互感器;TAX—被试电流互感器
试验时,将被试电流互感器与规范电流互感器一次测串联,二次侧各接一只0.5级电流表,用调压器和升流器供应一次侧一适宜电流,当电流升至互感器的额外电流值时(或在30%~70%额外电流范围内多选几点),一同记载两只电流表的读数,则被试电流互感器的实践变比为 K=KNIN/I 变比差错为 △K=[(K-KxN)/KxN]×100% 以上式中 KN、IN——规范电流互感器的变比和二次电流值; K、I——被试电流互感器的变比和二次电流值; KxN——被试电流互感器的额外变比。 试验时应注意,应将非被试电流互感器二次绕组短路,谨防开路;应尽量挑选使规范电流互感器与被试电流互感器变比一样,若是变比正确的话,其二次绕组电流表读数也应一样。 2. 电压互感器的变比查看 关于变比在变比电桥测试范围内的电压互感器,可直接选用变比测验仪测试其变比。关于变对比大的电压互感器,查看其变比可选用双电压表法或选用图2所示用与规范电压互感器对对比的办法。用图8-17所示办法对电压互感器进行变比测试时,应注意通常经过调压器和试验变压器向高压侧施加电压,在二次侧测试。
 图2 电压互感器变比查看试验接线图 T1—单相调压;T2—试验变压器; TVN—规范电压互感器;TVX—被试电压互感器
四、互感器励磁特性试验 互感器的励磁特性是指互感器一次侧绕组开路。二次侧励磁电流与所加电压的联系曲线,实践上即是铁芯的磁化曲线。互感器励磁特性试验的首要意图是查看互感器的铁芯质量,经过辨别磁化曲线的饱满程度,以区分互感器的绕组有无匝间短路等缺点。鉴于体系中常常发作铁芯谐振过电压和电压互感器质量不良等状况,所以需求进行电压互感器的空载励磁特性试验。 1. 电流互感器伏安特性试验 试验接线如图3所示。试验前,应将电流互感器二次绕组引线和接地线均撤除,试验时,一次测开路,从二次侧施加电压,为了读数便利,可预先选择几个电流点,逐点读取相应电压值。通入的电流或电压以不超越制造厂技能条件的规则为准。当电流增大而电压改变不大时,阐明铁芯已饱满,应中止试验。试验后,依据试验数据绘出伏安特性曲线。
 图3 电流互感器伏安特性试验接线图
电流海关其的伏安特性试验,只对继电保护有需求的二次绕组进行。实测的伏安特性曲线与曩昔或出厂的伏安特性曲线对比,电压不该有显着下降。若有显着下降,应查看是不是存在二次绕组的匝间短路。 2. 电压互感器空载励磁特性试验 电压互感器空载励磁特性试验接线如图4所示。现场试验时,电压互感器高压侧开路,低压侧通以额外电压,读取其空载电流及空载损耗。
 图4 电压互感器空载励磁特性试验接线图
电压互感器的空载励磁特性试验可与工频感应耐压试验一同进行。试验时,在电压升至额外电压过程中先读取几组空载损耗与空载电流值,电压升至0.3倍额外电压并耐受40s后,再降至额外电压及以下,从头读取几组空载损耗和空载电流值。 实测的励磁特性曲线或额外电压时的空载电流值与曩昔或同类型电压互感器的特性对对比,应无显着的区别。在进行1.3倍额外电压下的感应耐压试验时,其耐压前后的空载电流、空载损耗也不该有显着区别,否则应查明缘由。 通常状况下,励磁曲线测试点为额外电压的20%、50%、80%、100%和120%。关于中性点直接接地的电压互感器(N端接地),电压等级35kV及以下电压等级的电压互感器最高测试点为190%;电压等级66kV及以上的电压互感器最高测试点为150%。《规程》规则:在额外电压下,空载电流与出厂数值对比应无显着不同;中性点非有用接地体系的电压互感器,在1.9UN/√3电压时的空载电流不该大于最大答应电流;中性点接地体系的电压互感器,在1.5UN/√3电压下的空载电流不该大于最大答应电流。 3. 互感器伏安特性测验仪 互感器伏安特性测验仪是一款专门为测验互感器:伏安特性、变比、极性、差错曲线、耐压测验和二次侧回路查看等描绘的多功能现场试验仪器。在不运用外接规范互感器的状况下;试验时仅需设定测验电压/电流值,设备便可以主动升压/升流,并将互感器的伏安特性曲线或变比、极性等试验成果疾速显现出来,撑持数据保管和现场打印,不光省去手动调压、人工记载、描曲线等繁琐劳作,还能经过RS232接口与笔记本电脑联机运用或上载数据。操作简略便利,进步工作效率,是一种性价对比高的高科技商品。 互感器伏安特性测验仪撑持CT(电流互感器)和PT(电压互感器)检测,且自带1000V交流电源和650A大电流源。该互感器测验仪无需外接其它辅佐设备,单机即可完结一切检测项目。操作简略,全主动给出检测成果,大屏幕液晶,图形化显现界面。按规程主动给出(伏安特性)拐点电压和电流。主动核算5%和10%差错曲线。 |