门电路带负载时的接口电路
时间:2023-03-13来源:佚名
|
1.用门电路直接驱动显示器件 在数字电路中,往往需要用发光二极管来显示信息的传输,如简单的逻辑器件的状态,七段数码显示,图形符号显示等。在每种情况下均需接口电路将数字信息转换为模拟信息显示。 图1表示CMOS反相器74HC04驱动发光二极管LED的方法,电路中串接了限流电阻R以保护LED。限流电阻的大小可分两种情况来计算。
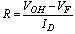
例1 试用CMOS反相器74HC04作为接口电路,使门电路的输入为高电平时,LED导通。设ID=10mA,VF=2.2V,VCC=5V,VOL=0.1V。 解:根据题意,得:
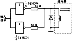
在工程实践中,往往会遇到各种数字电路以控制机电性系统的功能,如控制电动机的位置和转速,继电器的接通与断开,流体系统中的阀门的开通和关闭,自动生产线中的机械手多参数控制等。下面以继电器的接口电路为例来说明。在继电器的应用中,继电器本身有额定的电压和电流参数。一般情况下,需用运算放大器以提升到必须的数-模电压和电流接口值。对于小型继电器,可以将两个反相器并联作为驱动电路,如图3所示。
| |||||||||||














