变压器的并联运行及其优点
时间:2023-03-13来源:佚名
|
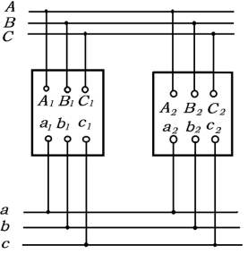
在现代发电站和变电所中,常常采用多台变压器并联运行的方式。所谓的并联运行,就是将变压器的一次侧和二次侧绕组分别接到一、二次侧的公共母线上。
图1 变压器的并联运行 变压器采用并联运行的优点: (1)可以提高供电的可靠性。 (2)可以根据负荷的大小调整投入并联运行变压器的台数,以提高运行效率; (3)可以减少备用容量,并可随着用电量的增加,分期分批地安装新的变压器,以减少初投资。 当然,并联变压器的台数也不宜 太多,因为在总容量相同的情况下,一台大容量变压器要比几台小容量变压器造价低、基建设投资少、占地面积小。 |









