三相电动机制动控制线路
|
三相电动机从切断电源到完全停止旋转,由于惯性的关系,总要经过一段时间,为了缩短辅助时间,提高生产效率,使停机位置准确并,为了安全生产,要求电动机能迅速停车。一般采用机械制动和电气制动,机械制动采用机械抱闸或液压装置制动,电气制动时电动机在停车时产生一个与原旋转方向相反的制动力矩。机床中常用的电气制动时反接制动和能耗制动。
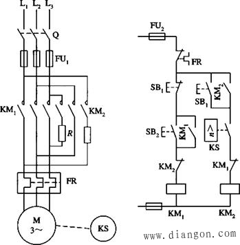
一、反接制动 反接制动是利用改变异步电动机定子绕组中的三相电源相序,产生与转子惯性旋转方向相反的转矩,因而产生制动作用。反接制动的过程为:停车时,首先将三相电源切换,然后当电动机转速较低时再将三相电源切断。 图1所示为单向反接制动线路,其工作过程是:合上Q,按SB2,KM1得电自锁,电动机M正转,当转速达到速度继电器KS的整定值时,KV的常开触点闭合,为反接制动作好准备。M停车时,按下SB1,SB1的常闭触点先打开,KM1失电,切断M的正序电源,但M因惯性仍以很高的转速继续旋转,原已闭合的KS常开触点仍闭合,SB1的常开触点后闭合,由于此时KM1的常闭辅助触点已复位,因此KM2得电自锁,M定子串接两相电阻进行反接制动。当M的转速下降到低于KS的整定值时,KS的常开触点复位,KM2失电,M切断反序电源自然停车至零。 由于反接制动时,转子与定子旋转磁场间的速度接近于两倍的同步转速,因此定子绕组中流过的反接制动电流相当于全电压直接启动时的两倍,故较大功率的电动机进行反接制动时,需在电动机两相或三相定子然组中串接一定的电阻以限制制动电流。 反接制动时,旋转磁场的相对速度很大,定子电流也很大,因此制动效果显著。但在制动过程中有冲击,对传动部件有害,能量消耗也较大。故用于不太经常启动、制动的设备,如铣床、镗床、中型车床主轴。
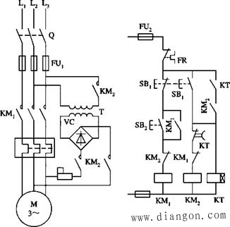
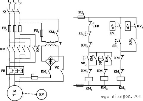
图1 单向反接制动线路 二、能耗制动 能耗制动是在电动机要停车时切断三相交流电源的同时,把定子绕组接入电源,利用转子感应电流与静止磁场的作用以达到制动的目的,在转速接近于零时再切断直流电源。能耗制动实质上是把转子原来储存的机械能转变为电能,消耗在转子的制动上,所以称为能耗制动。一般可用时间继电器按时间控制原则或用速度继电器按速度控制原则来进行制动,对制动准确性要求不高的机床也可以手动控制。 图2所示是用时间继电器按时间控制原则设计的单向能耗制动控制线路,图中KM1为单向运行接触器,KM2为能耗制动接触器,KT为时间继电器,T为整流变压器,VC为桥式整流电路。其工作过程如下: 合上Q,按下SB2,KM1得电自保,电动机M启动; 停车时,按下SB1,其常闭触头先断开,KM1失电,M定子切断三相电源;SB1的常开触头后闭合,KM2、KT同时得电自保,如果M定子绕组Y形联接,则将两相定子绕组接入直流电源进行能耗制动。M在能耗制动作用下转速迅速下降,当转速接近零时,到达KT的整定时间,其延时常闭触头打开,KM2、KT相继断电,制动结束。 该电路中,将KT常开瞬动触点与KM2自保触点串联,是考虑KT断线或机械卡住致使常闭延时触点不能断开,不至于使KM2长期得电,造成M定子绕组长期通过直流电流而过热。 图3所示是用速度继电器按速度控制原则设计的双向能耗制动控制线路,图中KM1、KM2为正反转接触器,KM3为制动接触器,KV1、KV2为速度继电器。其工作过程如下: 电动机M正向启动运转停车时能耗制动过程:合上Q,按下SB2,KM1得电自保,M正向启动运转,当正向转速达到KV1整定值时,KV1常开触点闭合;停车时,按下SB1,其常闭触点先打开,KM1失电,由于惯性M的转速还很高,KV1的常开触点仍闭合,在SB1的常开触点闭合时,KM3得电自锁,(http://www.gdzrlj.com/版权所有)M定子绕组接通直流电源进行能耗制动,M的转速迅速下降,当正向转速低于KV1整定值时,KV1的常开触点复位,KM3失电,能耗制动结束,以后M自然停车。 M反向启动运转停车时能耗制动过程与正向类似,不再赘述。 与反接制动相比较,能耗制动具有制动准确、平稳,能量消耗小等优点。但制动力较弱,特别是在低速时尤为突出。另外,它还需要直流电源。故适用于要求制动准确、平稳的场合,如磨床、龙门刨床及组合机床的主轴定位等。
图2 时间继电器控制的控制线路
图3 速度继电器控制的控制线路 |









