防止电气误操作措施
|
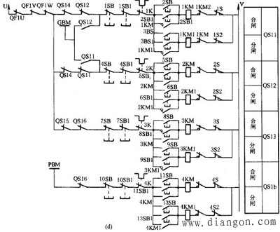
防止电气误操作的措施包括组织措施和技术措施两方面。 1.防止误操作的组织措施 防止误操作的组织措施是建立一整套操作制度,并要求各级值班人员严格贯彻执行。组织措施有:操作命令和操作命令复诵制度;操作票制度;操作监护制度;操作票管理制度。 (1)操作命令和操作命令复诵制度。操作命令和操作命令复诵制度系指值班调度员或值班负责人下达操作命令,受令人重复命令的内容无误后,按照下达的操作命令进行倒闸操作。 发电厂、变电站的倒闸操作按系统值班调度员或发电厂的值长、变电站的值班长的命令进行。属于电力系统管辖的电气设备,由系统值班调度员向发电厂的值长、变电站的值班长发布操作令,不属于系统值班调度员管辖的电气设备,则由发电厂的值长向电气值班长发布操作令。再由电气值班长向下属值班员发布操作令。其他人员均无权发、受操作令。 为了避免操作混乱,一个操作命令,只能由一个人下达,每次下达的操作命令,只能给一个操作任务,执行完毕后,再下达第二个操作命令,受令人不应同时接受几项操作命令。 为了避免受令人受令时发生错误,发令人发布命令应准确、清晰、使用正规操作术语和设备双重名称(设备名称和编号);受令人接到操作命令后,应向发令人复诵一遍,经发令人确认无误并记入操作记录簿中。为避免操作错误,值班调度员发布命令的全过程(包括对方复诵命令)和听取命令的报告,都要录音并作好记录。 (2)操作票制度。凡影响机组生产(包括无功)或改变电力系统运行方式的倒闸操作及其他较复杂操作项目,均必须填写操作票,这就是操作票制度。操作票制度是防止误操作的重要组织措施。 电气设备的倒闸操作种类繁多,内容极广,操作方法和操作步骤各不相同,如果值班人员不使用操作票进行操作,就容易发生误操作事故。如果正确填写操作票,将操作项目依次填写在操作票上,按票进行操作,就可避免发生误操作。 (3)操作监护制度。倒闸操作由2人进行,1人操作,1 人监护,操作中进行唱票和复诵,这就是操作监护制度。操作监护制度也是防止误操作的重要组织措施之一。 倒闸操作时,监护人按照操作票顺序逐项向操作人发布操作命令,直至全部操作完毕。监护人每发出一项操作令后,操作人应复诵一遍,并按操作令,检查对照设备的位置、名称、编号、拉合方向,经监护人检查无误,在监护人下达动令“对,执行”后,操作人才可操作。监护人始终监护操作人的每一操作动作,发现错误立即纠正。所以,操作监护制度也是对操作人员采取的一种保护性措施。 为了防止操作漏项,顺序颠倒,每操作完一项,在该项做一个“√”记号。全部操作完毕复查无误后,将操作任务、要点和时间记录在值班记录簿内。 (4)操作票管理制度。该制度包括以下内容:操作票编号(含微机开票编号)并按顺序使用,操作票执行后的管理与检查,操作票合格率的统计及错误操作票的分析等。这是保证操作票及操作监护制度认真执行的一项措施。 2. 防止误操作的技术措施 实践证明,单靠防误操作的组织措施,还不能最大限度地防止误操作事故的发生,还必须采取有效的防误操作技术措施。防误操作技术措施是多方面的,其中最重要的是采用防误操作闭锁装置。防误操作闭锁装置有机械闭锁、电气闭锁和电磁闭锁等三种。 (1)防误操作闭锁装置的功能。电气一次系统进行倒闸操作时,误操作的对象主要是隔离开关及接地隔离开关,其表现是:①带负荷拉、合隔离开关;②带电合接地隔离开关;③带接地线合隔离开关。为防止误操作,对于手动操作的隔离开关及接地隔离开关,一般采用电磁锁进行闭锁;对于电动、气动、液压操作的隔离开关,一般采用辅助触头或继电器进行电气闭锁。若隔离开关与接地隔离开关装在一起,则它们之间采用机械闭锁。由上述可知,配电装置装设的防误操作闭锁装置应具备以下五防功能: 1)防止带负荷拉、合隔离开关; 2)防止带地线合闸; 3)防止带电挂接地线(或带电合接地隔离开关); 4)防止误拉、合断路器; 5)防止误入带电间隔。 对于室外配电装置应能达到上述前四项,对于室内配电装置应达到上述五项。 (2)机械闭锁。机械闭锁是靠机械制约达到闭锁目的一种闭锁。如两台隔离开关之间装设机械闭锁,当一台隔离开关操作后,另一台隔离开关就不能操作。在图1中,下列隔离开关之间装有机械闭锁:
1)QF1 与QS11、QS12、QS13的闭锁。当断路器QF1 合上时,闭锁控制回路[图2(d)]中的qf1u、QF1V、QF1W,(对分相操作机构而言,如三相联动机构,则只有一对QF1动断辅助触头)动断辅助触点断开,使控制回路中断,此时,QS11、QS12、QS13无法进行分、合闸操作,从而防止带负荷拉、合隔离开关的误操作。 2)接地隔离开关QS14与QS11、QS12 的闭锁。当QS14 合上时,闭锁控制回路中的QS14动断辅助触点断开,使QS11、QS12 隔离开关无法进行操作,从而防止带接地线合隔离开关的误操作。 当QS11合上时,电磁锁控制回路[图2(c)]中的QS11 动断辅助触点断开,此时,电磁锁QS14DS 不能打开,接地隔离开关QS14 无法进行合闸操作,从而防止带电合接地隔离开关的误操作。 3)接地隔离开关QS15与QS13 的闭锁。当QS15合上时,闭锁控制回路中的QS15动断辅助触点断开,使QS13 无法进行合闸操作,从而防止带接地线合闸的误操作。 4)接地隔离开关QS16与QS13的闭锁。当QS16 合上时,闭锁控制回路中的QS16动断铺助触点断开,使QS16无法进行合闸操作,从而防止带接地线合闸的误操作。 5)接地隔离开关QS16与QS16的闭锁。当QS16 合上时,闭锁控制回路中的QS16动断辅助触点断开,使QS16无法进行合闸,从而防止带接地线合闸的误操作。 当QS1b合上时,电磁锁控制回路中的QS1b动断辅助触点断开,此时,QS16DS不能打开,QS1b 无法进行合闸操作,从而防止带电合接地隔离开关的误操作。 图1 中,其他元件的电气闭锁与上述相似,此处不再重复。 3. 防止误操作的实施措施 为防止电气误操作,确保设备和人身安全,确保电网安全稳定运行,特拟定以下防止电气误操作的实施措施: (1)加强“安全第一”思想教育,增强运行人员责任心,自觉执行运行制度。 (2)健全完善防误操作闭锁装置,加强防误操作闭锁装置的运行管理和维护工作。凡高压电气设备都应加装防误操作闭锁装置(少数特殊情况经上级主管部门批准,可加装机械锁)。闭锁装置的解锁用具(包括钥匙)应妥善保管,按规定使用,不许乱用。机械锁要一把钥匙开一把锁,钥匙要编号,并妥善保管,方便使用。所有投运的闭锁装置(包括机械锁)不经值班调度员或值长的同意,不得擅自解除闭锁装置(也不能退出保护)进行操作。 (3)杜绝无票操作。根据规程规定,除事故处理、拉合开关的单一操作、拉开接地隔离开关、拆除全厂(站)仅有的一组接地线外,其他操作一律要填写操作票,凭票操作。 (4)把好受令、填票、三级审查三道关。下达操作命令时,发令人发令应准确、清晰,受令人接受操作命令时,一定要听清、听准,复诵无误并作记录;运行值班人员接受操作命令后,按填票要求,对照系统图,认真填写操作票,操作票一定要填写正确;操作票填写好后,一定要经过三级审查。即:填写入自审,监护人复审,值班负责人审查批准。 (5)操作之前,要全面了解系统运行方式,熟悉设备情况,做好事故预想。 (6)正式操作前,要先进行模拟操作。模拟操作时,操作人和监护人一起,对照一次系统模拟图,按操作票顺序,唱票复诵进行模拟操作,通过模拟操作,细心核对系统接线,核实操作顺序,确认操作票正确合格。 (7)严格执行操作监护制度,确实做到操作“四个对照”。倒闸操作时,监护人应认真监护,对于每一项操作,都要做到对照设备位置、设备名称、设备编号、设备拉、合方向。 (8)严格执行操作唱票和复诵制度。操作过程中,每执行一项操作,监护人应认真唱票,操作人应认真复诵,结合四个对照,完成每项操作,全部操作完毕,进行复查。克服操作中的依赖思想、无所谓的思想、怕麻烦的思想、经验主义和错误的习惯做法。 (9)厂用电操作应做到下述要求:①受令复诵并作记录;②遵守1人操作,1人监护的原则;③操作时认真检查设备状态,小车断路器上、下触头无异物;④厂用负荷停送电时,小车断路器控制熔断器的拆、装应按先取后装的原则进行。 (10)操作过程中,如若发生异常或事故,应按电气运行规程处理原则处理,防止误操作扩大事故。 (11)备用设备定期试验操作,按要求做好联系和检查工作,操作人员应清楚有关注意事项。 (12)凡挂接地线,必须先验电,验明无电后,再挂接地线。防止带电挂接地线或带电合接地刀闸。 (13)完善现场一、二次设备及间隔编号,设备标志明显醒目。防止错走带电间隔,防止误操作和发生触电事故。 (14)重大的操作(如发电机开机、倒母线),运行主任、运行技术人员、安全员均应到场,监督和指导倒闸操作。 (15)加强技术培训,提高运行人员素质和对设备的熟悉程度及操作能力。 (16)开展防事故演习,提高运行人员判断和处理事故的能力。结合运行方式,做好事故预想,提高运行人员应变能力。 (17)做好运行绝缘工具和操作专用工具的管理及试验。运行绝缘工具应妥善管理并定期进行绝缘试验,使其经常处于完好状态,防止因绝缘工具不正常而发生误操作事故;操作用专用工具(如摇把),在操作使用后,不得遗留现场,用后放回指定位置,严禁用后乱丢或用其他物件代替专用工具。 |








