低压配电主接线方案
|
低压配电主接线方案一接线方案如图1所示。
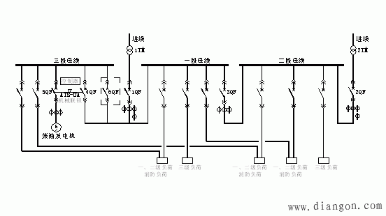
图1 低压配电主接线方案 此方案采用三段母线接线,工作原理如下: a.断路器4QF与5QF采用机械联锁,用自动控制器控制,保证发电机G与市电不并网运行。避免发电机向一、二段市电低压母线反送电。 b.三级负荷断路器装失压脱扣器,保证当火灾时市电停电,发电机自起动运行仅供给消防用电和重要的一级负荷用电,确保供电可靠性。方案一可满足规范对低压配电主接线的要求,接线简单可靠,但柴油发电机只能供消防负荷和重要的一、二级负荷,灵活性较差。许多一、二类高层建筑都自备了柴油发电机组,但由于低压配电主接线固定,在市电停电时,柴油发电机组无法投入一、二段低压母线,造成柴油发电机组长期闲置。而且由于发电机组长期不起动,工作人员疏于检查,油路堵塞,起动蓄电池漏电等故障导致火灾发生时,柴油发电机组起动失败。 3.低压配电主接线方案二如图2所示,在一段与三段母线之间增加一个联络断路器6QF(虚线框内部分),做如下联锁控制: a.1QF、2QF、3QF框架断路器做电气联锁,正常时1QF、2QF合3QF断,1QF、2QF分段运行,互为备用。 b.断路器4QF与5QF采用机械联锁,用自动控制器控制,保证发电机G与市电不并网运行。作用同方案一。 c.6QF断路器为母线联络使用,市电停电时,备用电源通过6QF向一、二段母线供电,供一、二段母线负荷使用。6QF断路器必须与1QF、2QF、GY断路器做可靠的电气联锁,并在6QF断路器分闸控制回路接入消防控制触点,实施多重联锁,保证在任何情况下,发电机容量优先满足消防负荷、重要一级负荷的供电容量的需要。6QF联锁控制二次接线原理图见图3。 d.三级负荷断路器装失压脱扣器,保证当火灾时市电停电,发电机自起动运行仅供给消防用电和重要的一级负荷用电,确保供电可靠性。 e.XF为消防控制中心输出的无源常闭触点,火灾发生后消防控制中心输出控制信号,XF动作,6QF断路器跳闸,柴油发电机仅供消防负荷和一、二级负荷。 f.1QF、2QF、GY断路器的常闭辅助触点串接在6QF断路器的合闸回路中,确保只有在1QF、2QF、GY断路器同时分闸时,6QF断路器才能合闸。 g.方案二中6QF断路器与1QF、2QF断路器之间的联锁均为电气联锁,为满足有些地区供电部门对此联锁必须为机械联锁的规定,可做如下处理:1QF、2QF、6QF框架断路器要求带按钮锁定及退出位置锁定附件(施耐德公司生产的MW系列及一些知名厂家生产的框架断路器均带此附件),加锁共用一把钥匙管理,即要求1QF、2QF框架断路器必须同时在分闸位置锁定后,才能取下钥匙打开6QF断路器锁定装置合闸。可满足供电部门对机械联锁的规定。
图2 低压配电主接线方案二
图3 6QF断路器联锁控制二次接线原理图 方案二可满足规范对低压配电主接线的要求,接线灵活、简单、可靠。解决了方案一接线中存在的问题,保证在平时非火灾时,当市电停电时,发电机G可兼做部分非消防用电的备用电源,充分发挥发电机的作用。此接线方案已在本地区许多高层民用建筑中应用,运行良好,得到业主好评。4:结束语以上探讨了变配电所低压电气主接线的两种接线方式,分析了各种接线方式的优缺点,指出了设计上应注意的问题。在设计中,究竟选用那一种方案,工程设计者应根据工程规模大小,使用功能,负荷的重要程度等确定。 |








