阻抗的数字化测量方法

时间:2023-03-14来源:佚名

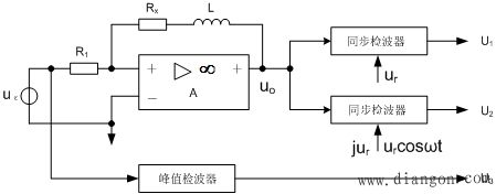
  电感-电压变换器,如图1所示:

阻抗的数字化测量方法

图1 电感-电压变换器

  图中A为阻抗-电压转换部分,两个同步检波器实现虚、实部分离,峰值检波器完成交-直流电压转换,并提供基准电压。

  设标准正弦信号为ur=ursinαt。

  则u0阻抗的数字化测量方法,u0经同步检波后输出实、虚部幅度为阻抗的数字化测量方法阻抗的数字化测量方法

  利用双积分式DVM,可实现Rx、Lx、Qx的测量。

相关阅读

保护接地和保护接零

电气 设备在使用中,若设备绝缘损坏或击穿而造成外壳带电,人体触及外壳时有触电的可能。为此,电气设备必须与大地进行可靠的电气连接,即接地 保护,使人体免受触电的危害。...
2023-03-21
保护接地和保护接零

直击雷的外部防护措施

本文介绍了直击雷的外部防护措施,怎么防止直击雷,防直击雷的方法依然是使用避雷针,可以使用接闪器、引下线、接地体实现直击雷的防护,下面具体来看下。 直击雷外部防护措施...
2024-03-18

钳形电流表与兆欧表的正确使用方法,你确定你用对了吗?

学习目标 了解钳形电流表工作原理及使用方法。 掌握兆欧表的结构及使用方法 一、钳形电流表 1. 钳形电流表工作原理 钳形电流表也是一种便携式电表,主要用于要求不断开电路的情...
2023-06-13
钳形电流表与兆欧表的正确使用方法,你确定你用对了吗?

单片机相关常用名词解释

总线指能为多个部件服务的信息传送线,在微机系统中各个部件通过总线相互通信。 地址总线(AB):地址总线是单向的,用于传送地址信息。地址总线的宽度为16位,因此基外部存储器...
2023-03-21

电压互感器二次侧短路现象及危害

电压互感器 又称仪用变压器(PT)。它是一种把高电压变为低电压并在相位上与原来保持一定关系的仪器。其工作原理、构造和接线方式都与变压器相同,只是容量较小,通常仅有几十或...
2023-03-21

热销商品

加厚abs安全帽电工建筑工地程施工领导监理透气防砸头盔可印字V型

这款加厚ABS安全帽专为电工、建筑工地施工人员、领导及监理设计,采用高强度ABS工程塑料,抗冲击、防砸性能优异,有效保障头部安全。帽体加厚设计,增强耐用性与防护等级...
5.8

明盾ABS加厚安全帽工地 电力绝缘建筑施工防砸劳保头盔冬免费印字

明盾ABS加厚安全帽专为建筑、电力、施工等高危环境设计,采用高强度ABS工程塑料,具备优异的抗冲击、防砸和绝缘性能,有效保障作业人员头部安全。帽体加厚设计,增强耐用...
19

欧普led筒灯3w孔灯超薄桶灯吊顶天花灯过道嵌入式洞灯客厅5w

欧普LED筒灯是一款高品质嵌入式照明产品,适用于客厅、过道、吊顶等多种场景。采用优质LED光源,提供3W和5W两种功率选择,光线柔和均匀,显色指数高,有效还原真实色彩。超...
7.45

水口钳高硬度模型剪钳电子钳工业级口水剪斜嘴钳偏口斜口专用钳子

水口钳高硬度模型剪钳是一款工业级精密工具,专为电子、模型制作及精细作业设计。采用优质高碳钢材质,经热处理工艺打造,具备卓越的硬度和耐磨性,可轻松剪切金属引脚、...
4.8

170电子剪钳II 如意斜口钳 工业斜嘴钳水口钳 模型剪塑胶钳尖嘴钳

170电子剪钳II如意斜口钳是一款专业级精密工具,集工业斜嘴钳、水口钳、模型剪、塑胶钳与尖嘴钳功能于一体,适用于电子维修、模型制作、手工艺及精密作业。其采用优...
4.5

网站栏目