逆变电路的多重化及多电平化
|
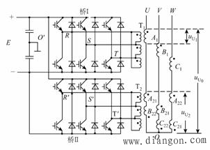
在大功率逆变电路中,电流源型逆变器常采用半控器件晶闸管作功率开关,存在较长时间换流过程,限制开关频率,使输出电流为方波;高压、大功率电压源型逆变器也多采用门极可关断晶闸管作功率元件,虽有自关断能力但器件开关频率仍低,输出电压也多为方波。方波电压、电流含有丰富的低次谐波,严重影响输出特性。如用于交流电机供电,会使电机附加损耗增加,效率降低,运行功率因数恶化,产生谐波转矩,引起噪声与振动等。因此有必要对逆变器输出波形进行改善,使之尽可能接近正弦形,以减少谐波含量。对此有二种处理方法:对于大容量逆变器,由于电压、电流定额限制只能使用晶闸管(包括门极可关断晶闸管)作开关元件时,多采用多重化、多电平化技术,这是本节讨论内容;对于中、小容量逆变器,可以使用高频自关断器件,多采用脉宽调制(PWM)技术,这将是下节重点讨论的内容。 1、多重化技术 多重化就是将几个逆变器的输出矩形波在相位上错开一定角度进行迭加,使之获得尽可能接近正弦波的多阶梯波形。从电路输出合成形式看,多重化逆变电路有串联多重和并联多重两种形式。串联多重是将几个逆变器的输出串联起来,多用于电压源型逆变电路;并联多重是将几个逆变器的输出并联起来,多用于电流源型逆变电路。 1.串联多重化 图1给出了一个二重化的三相电压源逆变器主电路。,两个三相桥式逆变电路公用同
图1 三相电压源型二重逆变电路
图2 三相逆变电路输出电压波形 图3 三相电压源型二重逆变电路波形 2.并联多重化 一种三相电流源型逆变器三重化的方案如图4所示。
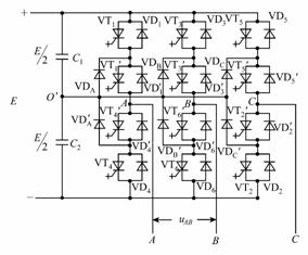
图4 三相电流源型三重化逆变电路 从以上电压源型逆变器的串联多重化和电流源型逆变器的并联多重化可以看出,采用多重化技术后,负载上得到了尽可能接近正弦的多台阶阶梯波,且多重化联接数越多,波形改善效果越好。但是由于主回路换流的相互影响、控制电路及输出变压器联接的复杂程度等原因,实用上多采用三重化。 2、多电平化 图5为一种中点钳位式三电平逆变电路。图6为三电平逆变器的输出电压波形。
图5 三电平电压源型逆变器 图6 三电平逆变器波形 |















