|
功能图应用于顺序控制场合,编程简单,形象直观。但对于不支持图形编辑的PC,则需要转换成便携式编程器能接受的逻辑指令。
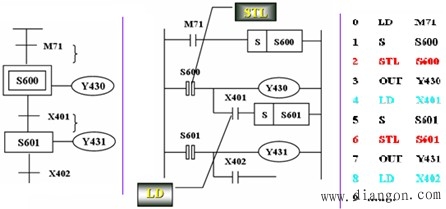
 举例:下面将功能图转换为步进梯形图进而转化为步进梯形指令的例子。
 步进梯形指令中的状态器 在编写步进梯形图时,每个状态器和其他元器件一样,都有两个元素:线圈元素和触点元素。 线圈元素:初始条件(或转移条件)下被置位。 触点元素:用特殊符号 “ ”表示,有两个功能: 1)“驱动” “负载”线圈,这里的“驱动”是广义的,“负载“也不是指外负载,而是某一元器件的线圈元素。 2)和转移条件共同驱动相继的状态器。 “STL”指令及“RET” a) STL (Step Ladder),步进接点指令,用作步进梯形指令中状态器的触点,该指令具有主控功能。 b) RET (Return),步进返回指令,表示步进梯形指令的结束。(一段梯形图的程序,可能由若干段组成,其中一部分是步进梯形指令,这段步进梯形指令的结束,就以RET表示。) “STL”及“RET”指令的应用注意事项: 1) 步进接点指令“STL” 具有“主控功能”,其表现为:只有常开触点,没有常闭触点;其后与其相连的触点,虽然和它是串联的关系,仍用LD或LDI指令;下一个状态器置位,上一个状态器自动复位;需要使用RET指令,结束步进梯形指令。一段步进梯形指令中,有且只有一个RET,表示步进梯形指令结束。 2) 状态器只有使用“S”指令时,才可能具有步进控制功能。(或者说,步进梯形程序中,状态器线圈的驱动,需要用置位指令。)此时,每个状态器除提供步进常开接点(STL)外,还提供普通常开、常闭接点供编程时使用。 3) 步进接点指令后面可使用CJP/EJP 指令,但是不能使用MC/MCR指令(STL指令本身具有主控功能)。 4) 每个状态器都有掉电保护,因而,在某些不需要保存状态器原来状态时,一般需在使用前对所用到的所有状态器进行初始化处理,以保证程序从理想的初始状态开始运行。 5) 在中断程序及子程序中不得使用STL指令。
|