检查电子电路故障的一般方法
|
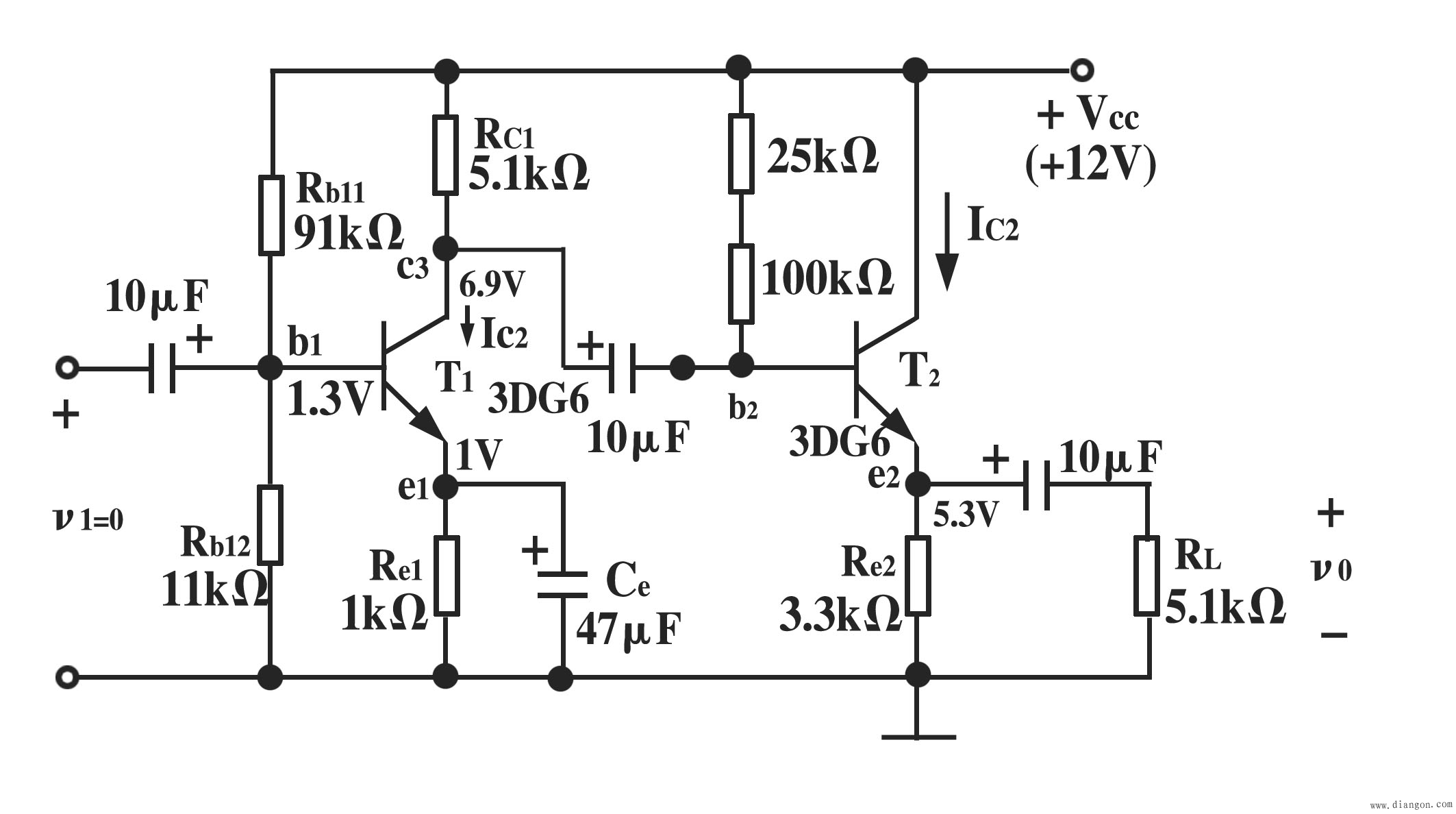
查找故障的顺序可以从输入到输出,也可以从输出到输入。查找故障的一般方法有: 一、直接观察法 直接观察法是指不用任何仪器,利用人的视、听、嗅、触等作为手段来发现问题,寻找和分析故障。 直接观察包括不通电检查和通电观察。 检查仪器的选用和使用是否正确;电源电压的等级和极性是否符合要求;电解电容的极性、二极管和三极管的管脚、集成电路的引脚有无错接、漏接、互碰等情况;布线是否合理;印刷板有无断线;电阻电容有无烧焦和炸裂等。 通电观察元器件有无发烫、冒烟,变压器有无焦味,电子管、示波管灯丝是否亮,有无高压打火等。 此法简单,也很有效,可作初步检查时用,但对比较隐蔽的故障无能为力。 二、用万用表检查静态工作点 电子电路的供电系统,半导体三极管、集成块的直流工作状态(包括元、器件引脚、电源电压)、线路中的电阻值等都可用万用表测定。当测得值与正常值相差较大时,经过分析可找到故障。现以图1两级放大器为例,正常工作时如图所示。静态时 (υI=0),Vb1=1.3V,Ic1= lmA,Vb1= 6.9V, Ic2= 1.6mA,Ve2 =5.3V。但实测结果Vb1=0.01V,Vc1≈Vce1≈Vcc=12V。考虑到正常放大工作时,硅管的V BE约为0.6~0.8V,现在T1显然处于截止状态。实测的Vc1≈Vcc也证明T1是截止(或损坏)。T1为什么截止呢?这要从影响VBl的Bb11和Rb12中去寻找。进一步检查发现,Rb12本应为11kΩ,但安装时却用的是1.1kΩ的电阻,将Rb12换上正确阻值的电阻,故障即消失。 顺便指出,静态工作点也可以用示波器“DC”输入方式测定。用示波器的优点是,内阻高,能同时看到直流工作状态和被测点上的信号波形以及可能存在的干扰信号及噪声电压等,更有利于分析故障。
三、信号寻迹法
八、断路法
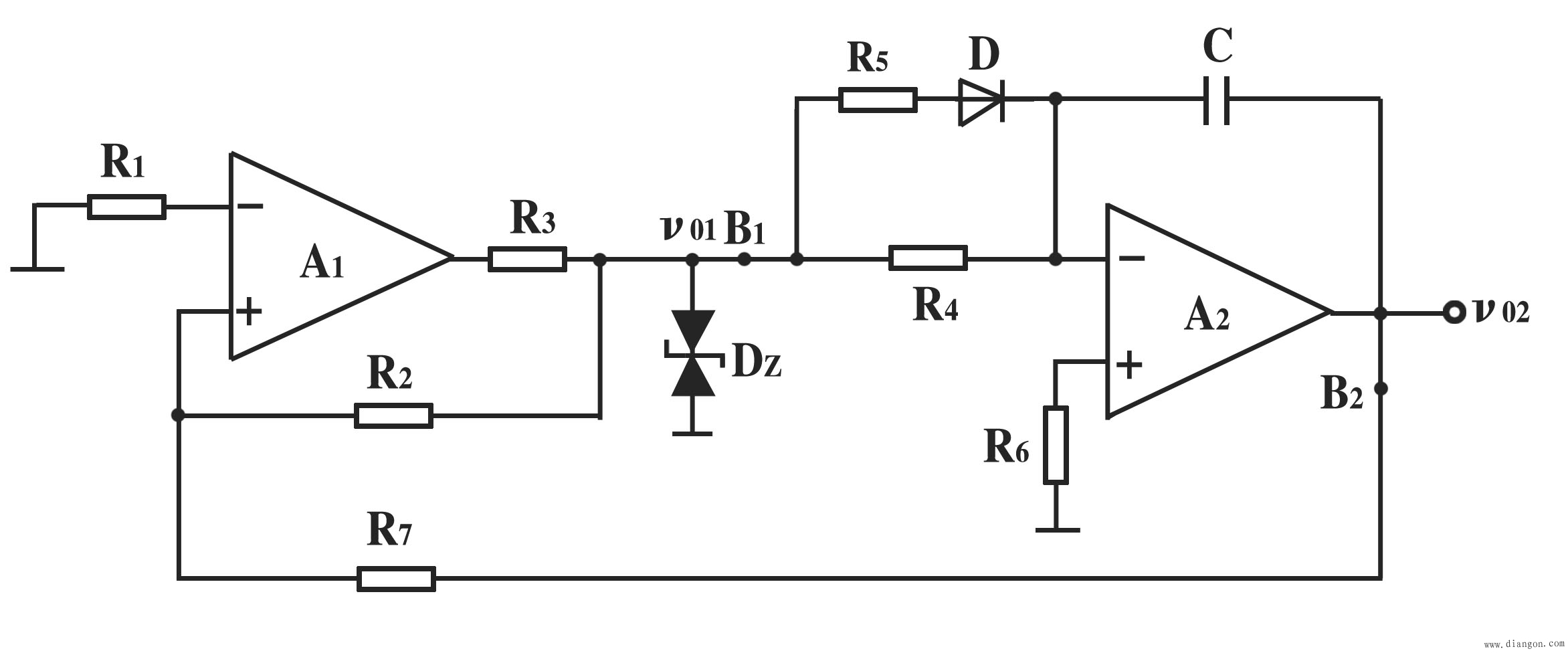
先把反馈回路断开,使系统成为一个开环系统,然后再接入一适当的输入信号,利用信号寻迹法逐一寻找发生故障的元、器件(或功能块)。例如,图3是一个带有反馈的方波和锯齿波电压产生器电路,A1的输出信号υO1作为A2的输入信号,A2的输出信号υO2作为A1的输入信号,也就是说,不论A1组成的过零比较器或A2组成的积分器发生故障,都将导致υO1、υO2无输出波形。寻找故障的方法是,断开反馈回路中的一点(例如B1点或B2点),假设断开B2点,并从B2与R7连线端输入一适当幅值的锯齿波,用示波器观测υO1输出波形应为方波,υO2输出波形应为锯齿波,如果υO1(或υO2)没有波形或波形出现异常,则故障就发生在 A1组成的过零比较器(或A2组成的积分器)电路上。 |












