非二进制计数器
时间:2023-03-14来源:佚名
|
一、非二进制计数器的电路分析
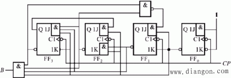
例:分析图示计数器,它是一个几进制计数器,画出状态转换图,并说明用何种编码计数。
1 .由电路图写出触发器的驱动方程,特性方程,CP方程(同步计数器时不必写); 2 .驱动方程代入特性方程求触发器状态方程; 3 .依次设定初态代入状态方程求出次态; 4 . 列出状态转换图、状态转换真值表或画出时序图,得出电路结论: ![]() 设定初态,依次求出次态:
计数代码采用方案: ![]() 电路功能结论:异步可以自启动的421编码5进制加法计数器。 另一种方法是:有了状态方程后可填次态卡诺图得到结果。 ![]() 二、非二进制计数器的电路设计 利用集成触发器设计任意进制计数器,一般步骤: 1. 由设计要求画出状态转换图,时序图,选好触发器; 2. 列出状态转换对触发器输入端的状态要求,输入、输出状态; 3. 以现态和输入为变量,求出各触发器输入的逻辑函数(驱动方程)和输出函数式; 4. 仔细画出整个计数器的逻辑电路图; 例:用下降沿触发的JK触发器,设计一个同步的按8421编码计数的十进制减法计数器。 解:题目已知计数器的编码、触发器等,因此,有状态转换图。 ![]() 所以,直接做第二步列表,8421码十进制减法计数真值表: ![]() 用卡诺法求J、K和B的函数式: ![]() ![]() 按以上表达式画出的8421编码的十进制减法计数器逻辑图如图所示: ![]() |
分析方法有多种,现用方程计算法进行分析。其基本步骤是:



=000→001→010→011→100→000











