在电子测量领域中,电流也是基本参数之一。如静态工作点、电流增益、功率等的测量,许多实验的调试、电路参数的测量,也都离不开对电流的测量。因此,电流的测量也是电参数测量的基础。实验中电流可分为两类;直流电流和交流电流。测量方法有两种;直接测量和间接测量。直接测量法是将电流表串联在被测支路中进行测量,电流表的示数即为测量结果。间接测量法利用欧姆定律,通过测量电阻两端的电压来换算出被测电流值。与电压的测量相类似,由于测量仪器的接入,会对测量结果带来一定的影响,也可能影响到电路的工作状态,实验中应特别注意,不同类型电流表的原理和结构不同,影响的程度也不尽相同。一般电流表的内阻越小,对测量结果影响就越小,反之越大。因此,实验过程中应根据具体情况,选择合理的测量方法和合适的测量仪器。以确保实验的顺利进行。
一、 直流电流的测量
1. 用模拟式万用表测量直流电流
模拟式万用表的直流电流档,一般由磁电式微安表头并联分流电阻而构成,量程的扩大通过并联不同的分流电阻实现,这种电流表的内阻随量程的大小而不同,量程大,内阻越小。用模拟式万用表测量直流电流时是将万用表串联在被测电路中的,因此表的内阻可能影响电路的工作状态,使测量结果出错,也可能由于量程不当而烧坏万用表,所以,使用时一定要注意。
2. 用数字式万用表测量直流电流
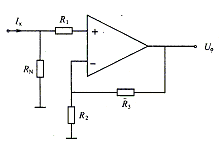
数字式万用表直流电流档的基础是数字式电压表,它通过电流一一电压转换电路,使被测电流流过标准电阻,将电流转换成电压来进行测量。如图1所示,由于运算放大的输入阻抗很高,可以认为被测电流Ix全部流经标准采样电阻RN,这样RN上的电压与被测电流Ix成正比,经放大器放大后输出电压Uo(Uo=(1 R3/R2)RNIx),就可以作为数字式电压表的输入电压来进行测量。
数字式万用表的直流电流档的量程切换通过切换不同的取样电阻RN及来实现。量程越小,取样电阻越大,当数字式万用表串联在被测电路中时,取样电阻的阻值会对被测电路的工作状态产生一定的影响,在使用时应注意。
 |
 |
| 图1 电流―电压转换电路 |
图2 并联法测量电流 |
3、用并联法测量直流电流
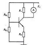
将电流表串联在被测电路中测量电流是电流表的使用常识,但是作为一个特例,当被测电流是一个恒流源而电流表的内阻又远小于被测电路中某一串联电阻时,电流表可以并接在这个阻上测量电流,此时电路中的电流绝大部分流过电阻小的电流表,而恒流源的电流是不会因外电阻的减小而改变的。如图2所示电路,要测量晶体管三极管的集电极电流,若Rc的值比电流表内阻大得很多,且集电极电流表的接人对集电极电流的影响很小,则电流表的测量值几乎为集电极电流。在做这种不规范的测量时,一定要概念极其明确,分析要正确,思想要集中,否则会造成电路或电流表的损坏。
4、用间接测量法测量直流电流
电流的直接测量法要求断开回路后再将电流表串联接入,往往比较麻烦,容易疏忽而
造成测量仪表的损坏。当被测支路内有一个定值电阻R可以利用时,可以测量该电阻两端的直流电压U,然后根据欧姆定律算出被测电流:I=U/R。这个电阻R一般称为电流取样电阻。
当然,当被测支路无现成的电阻可利用时,也可以人为地串入一个取样电阻来进行间接测量,取样电阻的取值原则是对被测电路的影响越小越好,一般在1-10Ω之间,很少超过100Ω
二、交流电流的测量
按电路工作频率,交流电流可分为低频、高频和超高频电流。在超高频段,电路或元件受分布参数的影响,电流分布是不均匀的,因此,无法用电流表来直接测量各处的电流值。只有在低频(45~500Hz)电流的测量中,可以用交流电流表或具有交流电流测量档的普通万用表或数字万用表,串联在被测电路中进行交流电流的直接测量。(http://www.gdzrlj.com版权所有)而一般交流电流的测量都采用间接测量法,即先用交流电压表测出电压后,用欧姆定律换算成电流。
用间接法测量交流电流的方法与间接法测量直流电流的方法相同,只是对取样电阻有一定的要求。
(1)当电路工作频率在20kHz以上时,就不能选用普通线绕电阻作为取样电阻。高频时应用薄膜电阻o
(2)由于一般电子仪器都有一个公共地,在测量中必须将所有的地连在一起,即必须共地,因此取样电阻要安排连接在接地端,在LC振荡电路中,要安排在低阻抗端。
这种利用取样电阻的间接测量法,不仅将交流电流的测量转换成交流电压的测量,使得可以利用一切测量交流电压的方法来完成交流电流的测量,而且还可以利用示波器观察电路中电压和电流的相位关系。