奇偶校验器
时间:2023-03-14来源:佚名
|
功能:用来校验某一组传输的数据有否错误的组合逻辑电路。
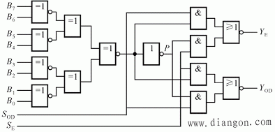
方法:在被传输的数据后面加一位奇偶校验位,使这一组数据中含1的位数成为奇数,或使这一组数据中含1的位数为偶数,然而检测1的位数是奇数还是偶数来判断数据传输是否有误。加了校验位后使之1的位数成为奇数时—奇校验;加了校验位后使之1的位数成为偶数时—偶校验。 如10101011—101010110 :使1的位数为奇数—奇校验;如10101011—101010111 :使1的位数为偶数—偶校验。 B7~B0为8位代码输入,YOD,YE是校验后的结果输出,SOD,SE是奇校验还是偶校验控制。 图示是74LS1180型8位的奇偶校验电路: ![]()
其中P点的逻辑关系为:
由异或运算可知: B7~B0中有奇数个1时,P=1;偶数个1时,P=0。当奇校验时,SOD=1,SE=0; ![]() 工作原理说明如下:Ⅰ#为奇校验,当B7~B0中有奇数个1时,Ⅰ#的YOD =0;所以, Ⅱ#为偶校验, Ⅱ#的YOD为1,使接收器打开,8位信号送到接收端,反之,Ⅱ#的YOD为0,接收器关闭。 |

,
,
,B7~B0中奇数位1时,YOD=0,YE=1,传输正确;如出现偶数个1,则YOD=1,YE=0,说明传输有误;当偶校验时,SOD=0,SE=1;
,B7~B0中奇数位1时,YOD=1,YE=0,传输正确;如出现偶数个1,则YOD=1,YE=0,说明传输有误;






