一、接地的含义
一般电子技术中的接地有两种含义。第一种含义是指接真正的大地即与地球保持等电位,而且常常局限于所在实验室附近的大地。对于交流供电电网的地线,通常是指三相电力变压器的中线(又称零线),它是在发电厂接大地。第二种含义是指接电子测量仪器、设备、被测电路等的公共联接点。这个公共联接点通常与机壳直接联接在一起,或通过一个大电容(有时还并联一个大电阻--有形或无形的)与机壳相联(这在交流意义上也相当于短路)。因此,至少在交流意义上,可以把一个测量系统中的公共联接点,即电路的地线与仪器或设备的机壳看作同义语。
研究接地问题应包括两方面的内容:保证实验者人身安全的安全接地和保证正常实验、抑制噪声的技术接地。
二、安全接地
绝大多数实验室所用的测量仪器和设备都由50Hz,220V的交流电网供电,供电线路的中线(零线)已经在发电厂用良导体接大地,另一根为相线(又称为火线)。如果仪器或设备长期处于湿度较高的环境或长期受潮未烘烤、变压器质量低劣等,变压器的绝缘电阻就会明显下降。通电后,如人体接触机壳就有可能触电。为了防止因漏电使仪器外壳电位升高,造成人身事故,应将仪器外壳接大地。
为了避免触电事故的发生,可在通电后用试电笔检查机壳是否明显带电。一般情况下,电源变压器初级线圈两端的漏电阻是不相同的,因此,往往把单相电源插头换个方向插入电源插座中部可削弱甚至消除漏电现象。

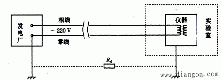
图1 利用三孔插座进行安全接地
比较安全的办法是采用三孔插头座,如图1中,三孔插座中间较粗的插孔与本实验室的地线(实验室的大地)相接,另外两个较细的插孔,一个接220V相线(火线),另一个接电网零线(中线),由于实验室的地线与电网中线的实际节点不同,二者之间存在一定的大地电阻Rd(这个电阻还随地区、距离、季节等变化,一般是不稳定的),如图2所示。
电网零线与实验室大地之间由于存在沿线分布的大地电阻,因此不允许把电网中线与实验室地线相联。否则,零线电流会在大地电阻Rd上形成一个电位差。同样道理,也不能用电网零线代替实验室地线。实验室地线是将大的金属板或金属棒深埋在实验室附近的地下(并用撒食盐等办法来减小接地电阻),然后用粗导线与之焊牢再引入实验室,分别接入各电源插座的相应位置。

图2 实验室的地线与电网电线间的电阻
三孔插头中较粗的一根插头应与仪器或设备的机壳相联,另外两根较细的插头分别与仪器或设备的电源变压器的初级线圈的两端相联。利用如图1.1.6所示的电源插接方式,就可以保证仪器或设备的机壳始终与实验室大地处于同电位,从而避免了触电事故。如果电子仪器或设备没有三孔插头,也可以用导线将仪器或设备的机壳与实验室大地相联。
三、技术接地
1.接地不良引入干扰
在电子电路实验中,由信号源、被测电路和测试仪器所构成的测试系统必须具有公共的零电位线(即接地的第二种含义),被测电路、测量仪器的接地除了保证人身安全外,还可防止干扰或感应电压窜入测量系统或测量仪器形成相互间的干扰,以及消除人体操作的影响。接地是使测量稳定所必需的,抑制外界的干扰,保证电子测量仪器和设备能正常工作。如果接地不当,可能会产生实验者所不希望的结果。下面举几个常见的例子来说明。
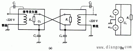
如图3所示为用晶体管毫伏表测量信号发生器输出电压,因未接地或接地不良引入干扰的示意图。

图3 接地不良引入干扰
在图3中,C1、C2分别为信号发生器和晶体管毫伏表的电源变压器初级线圈对各自机壳(地线)的分布电容,C3、C4分别为信号发生器和晶体管毫伏表的机壳对大地的分布电容。由于图中晶体管毫伏表和信号发生器的地线没有相连,因此实际到达晶体管毫伏表输入端的电压为被测电压Ux与分布电容C3、C4所引入的50Hz干扰电压eC3、eC4之和(如图1.1.8(b)所示),由于晶体管毫伏表的输入阻抗很高(兆欧级),故加到它上面的总电压可能很大而使毫伏表过负荷,表现为在小量程档表头指针超量程而打表。
如果将图3中的晶体管毫伏表改为示波器,则会在示波器的荧光屏上看到如图4(a)所示的干扰电压波形,将示波器的灵敏度降低可观察到如图4(b)所示的一个低频信号叠加一个高频信号的信号波形,并可测出低频信号的频率为50Hz。

(a) (b)
图4示波器观测50Hz干扰信号波形
如果将图3中信号发生器和晶体管毫伏表的地线相联(机壳)或两地线(机壳)分别
接大地,干扰就可消除。因此,对高灵敏度、高输入阻抗的电子测量仪器应养成先接好地线再进行测量的习惯。
在实验过程中,如果测量方法正确、被测电路和测量仪器的工作状态也正常,而得到的仪器读数却比预计值大得多或在示波器上看到如图1.1.9所示的信号波形,那么,这种现象很可能就是地线接触不良造成的。
2.仪器信号线与地线接反引入干扰
有的实验者认为,信号发生器输出的是交流信号,而交流信号可以不分正负,所以信号线与地线可以互换使用,其实不然。
如图5(a)所示,用示波器观测信号发生器的输出信号,将两个仪器的信号线分别与对方的地线(机壳)相联,即两仪器不共地。C1、C2分别为两仪器的电源变压器的初级线圈对各自机壳的分布电容,C3、C4分别为两仪器的机壳对大地的分布电容,那么图5(a)可以用图5(b)来表示,图中eC3、eC4为分布电容C3、C4所引入的50Hz 干扰,在示波器荧光屏上所看到的信号波形叠加有50Hz干扰信号,因而包络不再是平直的而是呈近似的正弦变化。

图5 信号线与地线接反引入干扰
如果将信号发生器和示波器的地线(机壳)相连或两地线(机壳)分别与实验室的大地相接,那么,在示波器的荧光屏上就观测不到任何信号波形,信号发生器的输出端被短路。
3.高输入阻抗仪表输入端开路引入干扰
以示波器为例来说明这个问题。如图6(a)所示,C1、C2分别为示波器输入端对电源变压器初级线圈和大地的分布电容,C3、C4分别为机壳对电源变压器初级线圈和大地的分布电容。此电路可等效为如图6(b)所示电路,可见,这些分布参数构成一个桥路,当C1C4=C2C3时,示波器的输入端无电流流过。但是,对于分布参数来说,一般不可能满足C1C4=C2C3,因此示波器的输入端就有50Hz的市电电流流过,荧光屏上就有50Hz交流电压信号显示。如果将示波器换成晶体管毫伏表,毫伏表的指针就会指示出干扰电压的大小。正是由于这个原因,毫伏表在使用完毕后,必须将其量程旋钮置3V以上档位,并使输入端短路,否则,一开机,毫伏表的指针会出现打表现象。

图6示波器输入端开路引入干扰
4.接地不当将被测电路短路
这个问题在使用双踪示波器时尤其应注意。如图7所示,由于双踪示波器两路输入端的地线都是与机壳相联的,因此,在图7(a)中,示波器的第一路(CHl)观测被测电路的输入信号,连接方式是正确的,而示波器的第二路(CH2)观测被测电路的输出信号,连接方式是错误的,导致了被测电路的输出端被短路。在图7(b)中,示波器的第二路(CH2)观测被测电路的输出信号,连接方式是正确的,而示波器的第一路(CHl),观测被测电路的输入信号,连接方式是错误的,导致了被测电路的输入端被短路。

图7 接地不当将被测电路短路
此外,接地时应避免多点接地,而采取一点接地方法,以排除对测量结果的干扰而产生测量误差。尤其多个测量电仪器间有二点以上接地时更需注意。如果实验室电源有地线,此项干扰可以排除,否则,由于两处接地,工作电流在各接地点间产生电压降或在接地点间产生电磁感应电压,这些原因也会造成测量上的误差。为此,必须采取一点接地措施。
在测量放大嚣的放大倍数或观察其输入、输出波形关系时,也要强调放大器、信号发生器、晶体管毫伏表以及示波器实行共地测量,以此来减小测量误差与干扰。