如何阅读运算放大器电路图
|
运算放大器主要由输入级、中间放大级、输出级和偏置电路等四部分组成,如图1所示。
图1 运算放大器的偏置电路与分立放大电路的偏置电路设计有很大不同,主要由各种形式的恒流源电路实现,熟悉各种形式的恒流源电路是阅读运放电路的基础。 运算放大器的输入级通常是差分放大电路,其主要功能是抑制共模干扰和温漂,双极型运放中差分管通常采用CC-CB复合管,以便拓展通频带; 运算放大器的中间级采用共射或共源电路,并采用恒流源负载和复合管以增加电压放大倍数。 双极型运算放大器的输出级采用互补输出形式,其主要功能是提高负载能力并增大输出电压和电流的动态范围。二只输出管轮流导通,每管工作在乙类状态。为消除交越失真,通常会给输出管提供适当的偏置电流,让其工作在甲乙类状态。 由于集成电路工艺的限制,各级之间采用直接耦合。为保证输入短路时,输出直流电平为零,有时还需要在级间加入电平移动电路。 运算放大器的读图过程如下: (1) 运放电路结构分解 根据运放结构特点,将运放分解成输入级、中间级和输出级、基准电流源等四个基本部分。 (2) 基准电流分析 运放电路中均有一个供偏置用的基准电流源,由它产生基准参考电流 (3) 静态偏置分析 在基准电流基础上,通过镜像直流电流或微镜像直流电流源,产生各种大小的直流恒流源或直流微恒流源,这些直流恒流源提供放大用晶体管的静态偏置。 将镜像直流源电路用等效恒流源代替,可以得到等效直流通路,用于分析各级直流偏置。 (4) 交流分析 运算放大电路的主要功能是进行线性放大。此外还有一些附加功能电路,如交流镜像电流源电路,输出保护电路,交越失真补偿电路,电平移动电路等, 这些电路为保证放大功能提供辅助作用,通常并不影响放大电路指标计算。对辅助电路进行简化,可以方便交流分析。 得到简化的交流等效电路后,将晶体管用小信号模型替代,就可以计算放大电路的动态指标。 图2是uA741运算放大电路的等效电路图,试分析其基本工作原理。
图2 (1) 运放电路的结构分解 输入级是一个差动放大电路,主要由 (2) 基准电流分析
(3) 静态偏置分析 将电路中的镜像直流电流源用等效恒流源代替,得到等效直流通路如图3所示。
图3 (4) 交流分析 差分输入级中的 电容C的作用是进行相位补偿,用于防止该运放可能产生的自激振荡。 输出级中的 将辅助电路简化后的等效交流通路如图4所示。
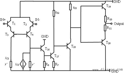
图4 其中, 例2,图5是CMOS运放C14573的等效电路图,试分析其基本工作原理。
图5 (1) 运放电路的结构分解 输入级是差动放大电路,主要由增强型MOS管 (2) 基准电流分析 (3) 静态偏置分析 将镜像直流电流源用等效恒流源代替,得到等效直流通路如图6所示。
图6 (4) 交流分析 差分输入级中的 电容C的作用是相位补偿,用于防止自激振荡。 将辅助电路简化后的等效交流通路如图7所示。
图7 其中, |

。
、
(共集-共基组合)和
、
组成。中间放大级由
、
、
组成共集—共射电路;输出级由
、
组成互补输出电路。
、
、
组成运放的基准电流源,
与
、
构成的镜像电流源给
是多集电极管,它与
一方面给
则是给
、
、
管构成高精度交流镜像电流源,
,因而提供给
,使单端输出的差分电路达到双端输出的效果。
,
,
给互补输出管
、
是输出限流保护用取样电阻,当输出电流过大时,
或
、
组成的镜像电流源,将该电流镜像至
是恒流源
的内阻。

,因而提供给
,使单端输出的差分电路达到双端输出的效果。
是恒流源
的内阻。







