多级放大电路的性能指标
时间:2023-03-14来源:佚名
|
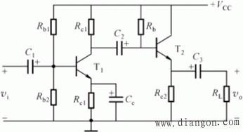
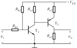
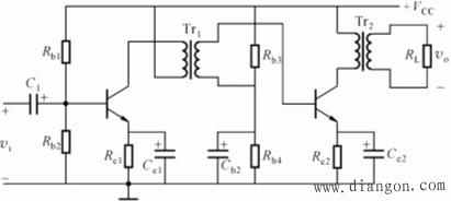
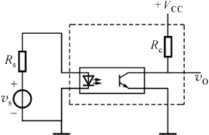
单级放大器的电压放大倍数是有限的,在许多场合必须要有比较大的放大量,如微伏级的电视信号要放大到上百或几百伏以上时,就要有上百或几百万倍以上的电压增益。所以需要多级放大器连接起来。要把多级放大器连接起来,主要应解决各级之间的连接问题。 1.级间耦合(级间连接): 级间的连接原则: ① 静态时各级都应有合适的静态工作点,且互相不影响;② 动态时信号能实现畅通有效的传递。 阻容耦合: ![]() 阻容耦合的优缺点: 优点:电路简单,且各级之间的静态工作点互不影响,在多级放大器中应用广泛。 缺点:由于采用了电容耦合,所以不能放大直流信号或频率较低的信号,从频率特性上讲,低频响应较差,且不便于集成化。 直接耦合: ![]() 从电路图看各级也可以有合适的静态工作点和直接耦合信号。其优点是低频特性好,可以放大变化缓慢的或直流信号,易于集成化。缺点是各级静态工作点相互影响,分析、设计和调试较困难;并且还存在零点漂移问题。 变压器耦合: ![]() 优点:各级静态工作点互不影响,能实现阻抗变换。 缺点:频率特性不好,且非常笨重。 光电耦合: ![]() 抗干扰能力强,数字电路中应用广泛。 |











