隔离的主要目的是通过隔离元器件把噪声干扰的路径切断,从而达到抑制噪声干扰的效果。在采用电路隔离措施以后,绝大多数电路都能够取得良好的噪声抑制效果,使设备符合EMC的要求。电路隔离方式主要有:模拟电路的隔离、数字电路的隔离、数字电路与模拟电路之间的隔离。所使用的隔离方法有:变压器隔离法、脉冲变压器隔离法、继电器隔离法、光电耦合器隔离法、直流电压隔离法、线性隔离放大器隔离法、光纤隔离法、A/D转换器隔离法等。 1.电路隔离 模拟电路的隔离比较复杂,主要取决于对传输通道的精度要求,对精度要求越高,其通道的成本也就越高;然而,当性能的要求上升为主要矛盾时,应当以性能为主选择隔离元器件,把成本放在第二位,反之,应当从成本角度出发选择隔离元器件。模拟电路的隔离主要采用变压器、互感器、直流电压隔离器或线性隔离放大器隔离。 对于具有直流分量和共模噪声干扰比较严重的场合,在模拟信号的测量中必须采取措施,使输入与输出完全隔离,彼此绝缘,消除噪声的耦合。隔离能防止模拟系统的干扰,尤其能有效地抑制电力系统的接地干扰进入逻辑系统,导致逻辑系统的工作紊乱。在精密测量系统中,也能有效地防止数字系统的脉冲波动干扰进入模拟系统,因模拟电路前置放大部分的信号非常微弱,较小的干扰波动信号就会把有用信号淹没。 对于高电压、大电流信号采用互感器隔离,其抑制噪声的原理与隔离变压器类似。互感器隔离方法的应用如图1(a)所示。而对微电压、微电流模拟信号的隔离系统来说相对比较复杂,既要考虑其精度、频带宽度的因素,又要考虑其价格因素。一般情况下,对于较小量的共模噪声,采用差动放大器或仪表放大器就能够取得良好的效果,但对于共模噪声较大且测量精度要求比较高的场合,应该选择高精度线性隔离放大器。线性隔离放大器的应用如图1(b)所示。

图1 模拟信号输入隔离系统
2.物理隔离 物理隔离是指从电路上把干扰源和易受干扰的部分利用物理介质隔离开来,使它们不发生电的联系。在plc控制系统中通常采用以下物理隔离措施:
- 正确选用连接电缆和布线方式。低频电路尽量采用双绞线,高频电路尽量采用双同轴屏蔽电缆,并尽量用光缆代替长电缆,使所有的信号线很好地绝缘,使其不漏电。这样能有效地防止由于接触引入的干扰。
- 根据信号的不同类型将其按抗噪声干扰的能力分类,按其类别将不同种类的信号线缆隔离敷设。相近种类的信号电缆如果必须在同一电缆槽中走线,则一定要用金属隔板将它们隔开,并采用隔离技术将信号源同系统在电气上进行隔离,这样会大大地减小共模干扰对系统造成的危害。用隔离放大器将信号的输入端子与系统电路部分完全隔离(有的系统中采用隔离变压器或继电器等方式隔离,对开关量则可以采用光电器件或继电器进行隔离),这样因地电位不同所产生的干扰信号形不成回路,可有效地抑制干扰的危害。
- 模拟量信号对高频脉冲信号的抗干扰能力是很差的,应采用屏蔽双绞线或屏蔽电缆传输,且这些信号线必须单独穿电线管或在电缆槽中敷设,不可与其他信号在同一电缆管(或槽)中走线。
- 低电平的开关信号(一些状态干接点信号)和数据通信线路(RS232、EIA485等),对低频脉冲信号的抗干扰能力比模拟信号要强,也应采用屏蔽双绞线(至少用双绞线)传输。此类信号也要单独走线,不可和动力线和大负载信号线在一起平行走线。
- 高电平(或大电流)的开关量的输入、输出及其他继电器输入、输出信号的抗干扰能力强于以上两种,但这些信号会干扰别的信号,可用双绞线连接,也可单独敷设电缆管或电缆槽。
- AC 220V、380V动力线以及大通断能力的断路器、开关信号线等,这些电缆的选择主要不是依据抗干扰能力,而是由电流负载和耐压等级决定,其敷设应与信号传输线严格分开。为了防止供电线路上引入共模高频干扰信号,可以在供电线路上设隔离变压器进行干扰隔离。为了达到良好的干扰抑制效果,变压器的屏蔽层要很好地接地,变压器的次级线圈应采用双绞线。
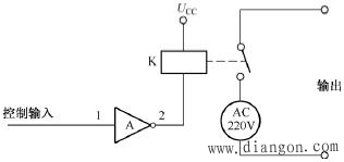
3.电位隔离 电位隔离分为机械、电磁、光电和浮地几种隔离方式,其实质是人为地造成电的隔离,以阻止电路性耦合产生电磁干扰。机械隔离采用继电器来实现其线圈接收信号,机械触点发送信号。机械触点分断时,由于阻抗很大,电容很小,从而阻止了电路性耦合产生的电磁干扰。机械隔离的缺点是线圈工作频率低,不适合于工作频率较高的场合使用,而且存在触点通断时的弹跳干扰以及接触电阻等。 继电器是常用的数字输出隔离元件,用继电器作为隔离元件简单实用,价格低廉。图2是继电器输出隔离示意图。在该电路中,通过继电器把低压直流与高压交流隔离开来,使高压交流侧的干扰无法进入低压直流侧。

图2 继电器隔离
4.电磁隔离
电磁隔离是采用变压器传递电信号,阻止了电路性耦合产生的电磁干扰,对于交流场合使用较为方便。由于变压器绕组间的分布电容较大,所以使用时应当与屏蔽和接地相配合。脉冲变压器原、副边绕组匝数很少,分别绕制在铁氧体磁芯的两侧,分布电容仅为几皮法,可作为脉冲信号的隔离器件。对于模拟量输入信号,由于每点的采样周期很短,实际上的采样波形也为一脉冲波形,也可实现隔离作用。采用脉冲变压器隔离方式,在线路中仍应加滤波环节抑制动态常模干扰和静态常模干扰。脉冲变压器隔离方式可用于几兆赫的信号电路中。 脉冲变压器隔离存在的主要问题在于在控制系统与控制对象之间存在公共地线,即使采用同轴电缆作为传输媒介,也会将现场的干扰信号引入PLC控制系统中,影响整个系统的可靠稳定工作。由于脉冲变压器传递输入、输出脉冲信号时不传递直流分量,因而在PLC控制系统中得到了广泛的应用。一般来说,脉冲变压器的信号传递频率在1kHz~1MHz之间,新型高频脉冲变压器的传递频率可达到10MHz。图3(a)是脉冲变压器的结构示意图,图3(b)所示是脉冲变压器的应用实例。

图3 脉冲变压器的应用
5.模/数变换隔离电路 模拟电路与数字电路之间的隔离主要采用模/数转换装置;对于要求较高的电路,除采用模/数转换装置外,还应在模/数转换装置的两端分别加入模拟隔离元器件和数字隔离元器件。 在PLC控制系统中常在现场就地进行模/数转换,利用模/数转换器将易受干扰的模拟信号转换为数字信号进行传输,在接收端再采用光电隔离,以增强其在信号传输过程中的抗干扰能力。而模/数转换器的安装位置是实际应用中很具体的问题。对于在工业生产现场中的应用,一是考虑使模/数转换器远离生产现场,放置于主控室中;二是将模/数转换器放在生产现场,远离主控室,两者各有利弊。 将模/数转换器放置于主控室中,便于把模/数转换器产生的数字信息传送到PLC控制系统的处理器中,而PLC的控制信息传送给模/数转换器也很方便,因而利于转换器的管理。但由于模/数转换器远离生产现场,模拟量传输线路过长,分布参数以及干扰的影响增加,而且易引起模拟信号衰减,直接影响转换器的工作精度和速度。将转换器放置于生产现场,虽然可解决上述问题,但数字信息传输线路过长,也不便于转换器的管理。 在模/数(A/D)转换器或数/模(D/A)转换器的应用中,若不采取一定的措施,数字电路中的高频振荡信号就会对模拟电路带来一定的干扰,影响测量的精度。为了抑制数字电路对模拟电路带来的高频干扰,一般须将模拟地与数字地分开布线,这种布线方式不能彻底排除来自数字电路的高频干扰。要想排除来自数字电路的高频干扰,必须把数字电路与模拟电路隔离开来,常用的隔离方法是在A/D转换器与数字电路之间加入光电耦合器,把数字电路与模拟电路隔离开,如图4(a)所示。但这种电路还不能从根本上解决模拟电路中的干扰问题,仍然存在着一定的缺陷,这是因为信号电路中的共模干扰和差模干扰没有得到有效的抑制,对于高精密测量的场合还不能满足要求。对于具有严重干扰的测量场合,可采用图4(b)所示的电路。在该电路中,对信号接收部分与模拟处理部分也进行了隔离,因为在前置处理级与A/D转换器之间加入线性隔离放大器,把信号地与模拟地隔开,同时在A/D转换器与数字电路之间采用了光电耦合器隔离,把模拟地与数字地隔开。这样一来既防止了数字系统的高频干扰信号进入模拟部分,又阻断了来自前置电路部分的共模干扰和差模干扰。

图4 模拟电路与数字电路的隔离
6.光电隔离 光电隔离是指采用光电耦合器通过半导体发光二极管(LED)的光发射和光敏半导体(光敏电阻、光敏二极管、光敏三极管、光敏晶闸管等)的光接收来实现信号的传递。光电耦合器的输入阻抗与一般干扰源的阻抗相比较小,因此分压在光电耦合器输入端的干扰电压较小,而且一般干扰源的内阻较大,它所能提供的电流并不大,因此不能使发光二极管发光。光电耦合器的外壳是密封的,它不受外部光的影响。光电耦合器的隔离电阻很大(约为1012),隔离电容很小(数皮法),能阻止电路性耦合产生的电磁干扰。只是光电耦合器的隔离阻抗随着频率的提高而降低,抗干扰效果也将降低。 光电耦合器件由输入端的发光元件和输出端的受光元件组成,输入与输出在电气上是完全隔离的。其体积小、使用简便,视现场干扰情况的不同,可以组成各种不同的线路对共模和差模干扰进行抑制。 可采用光电耦合器把输入信号与内部电路隔离开来,或者把内部输出信号与外部电路隔离开来,如图5(a)、(b)所示。

图5 光电耦合器电路
目前,大多数光电耦合器件的隔离电压都在2.5kV以上,有些器件达到了8kV,既有高压大电流光电耦合器件,又有高速高频光电耦合器件(频率高达10MHz)。常用的器件有4N25,隔离电压为5.3kV;6N137,隔离电压为3kV,频率在10MHz以上。 光电耦合器应用在输入、输出端隔离具有线路简单的特点,由于避免形成地环路,而输入与输出的接地点也可以任意选择。这种隔离的作用不仅可以用在数字电路中,也可以用在线性(模拟)电路中。 光电耦合器用于消除噪声是从两个方面体现的:一方面是使输入端的噪声不传递给输出端,只是把有用的信号传送到输出端;另一方面,由于输入端到输出端的信号传递是利用光来实现的,极间电容很小,绝缘电阻很大,因而输出端的信号与噪声也不会反馈到输入端。 使用光电耦合器时,应注意光电耦合器本身具有10~30pF的分布电容,所以频率不能太高;另外在接点输入时,应注意加RC滤波环节,抑制接点的抖动。另外,用于低电压时,其传输距离以100m为限,传输速率在10kbit/s以下为宜。 为保证D/A转换器能可靠运行,并获得精确的测量结果,可将D/A转换器与光电耦合器组合成电—光—电隔离装置。把D/A转换器放在靠近现场的一侧。为了有效抑制干扰,采用双套光电耦合器,使得D/A转换器与PLC之间的信息交换均经过两次电—光—电的转换。如图6所示,一套光电耦合器放在D/A转换器一侧,一套光电耦合器放在PLC一侧。系统中有三个不同的地端:一是PLC与I/O接口的公用地,二是传输长线使用的“浮空地”,三是D/A转换器和被控对象公用的“现场地”。采用这种两次光电隔离的办法,把传输长线隔浮在PLC与被控对象之间,不仅有效地消除了公共地线,抑制了由其引进的干扰,而且也有利于解决长线驱动与阻抗匹配的问题,并能保证整个控制系统的可靠运行。

图6 电—光—电隔离框图
|